GDQ型气动高真空挡板阀详细介绍
GDQ型气动高真空挡板阀产品概述:
GDQ型系列气动高真空挡板阀(又称角阀)是用压缩空气为动力,通过电磁换向阀改变气路方向,推动气缸活塞上下运动,带动阀杆上下运动,使阀板开启或关闭,从而达到在真空系统中接通或切断气流的目的。GDQ-J型为角通型式,GDQ-S型为带预抽口的三通型式。适用的工作介质为空气及非腐蚀性气体。注:其中DN400以上底部采用死法兰n-Mb。
GDQ型气动高真空挡板阀技术性能:
适用范围(Pa)
|
105~1.3x10-4
|
阀门漏率(Pa.L/S)
|
≤1.3x10-6
|
介质温度(℃)
|
-25~+80(密封材料为丁腈橡胶)
-30~+150(密封材料为氟橡胶)
|
气源压力(MPa)
|
0.4~0.8
|
安装位置
|
DN<300任意,DN≥300垂直
|
电源电压
|
标准出厂:AC220V/50Hz
特殊指定:AC110V;DC24V;DC12V等
|
信号反馈
|
标准出厂:不带反馈信号
特殊指定:磁性开关DC/AC5~240V
|
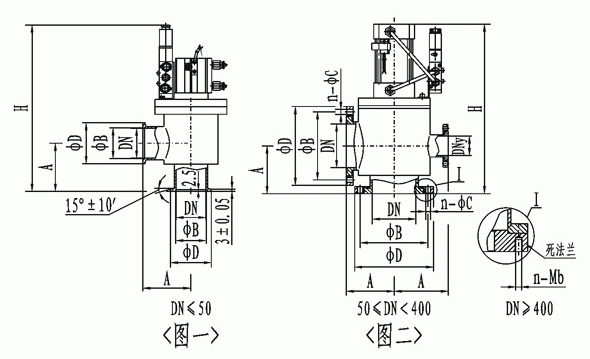
GDQ型气动高真空挡板阀外形结构图:

GDQ型气动高真空挡板阀连接尺寸:
(图一) (KF)连接及外形尺寸
型号
|
通径(DN)
|
ΦD
|
ΦB
|
H
|
A
|
法兰标准
|
GDQ-J10/KF
|
10
|
30
|
12.2
|
180
|
30
|
GB4982
|
GDQ-J16/KF
|
16
|
30
|
17.2
|
180
|
40
|
GDQ-J25/KF
|
25
|
40
|
26.2
|
200
|
50
|
GDQ-J40/KF
|
40
|
55
|
41.2
|
210
|
65
|
GDQ-J50/KF
|
50
|
75
|
52.2
|
276
|
70
|
/
|
(图二) 连接及外形尺寸
型号
|
通径(DN)
|
ΦD
|
ΦB
|
H
|
A
|
n-ΦC
|
DNy(预抽口)
|
n-Mb
|
法兰标准
|
GDQ-J50
|
50
|
110
|
90
|
276
|
70
|
4-Φ9
|
/
|
/
|
GB/T6070
|
GDQ-J63
|
63
|
130
|
110
|
283
|
88
|
GDQ-J80
|
80
|
145
|
125
|
314
|
88
|
8-Φ9
|
GDQ-J100
|
100
|
165
|
145
|
338
|
108
|
GDQ-J125
|
125
|
200
|
175
|
424
|
128
|
8-Φ11
|
GDQ-J(S)150
|
150
|
220
|
195
|
482
|
138
|
DN40(GB4982)
|
JB919
|
GDQ-J(S)160
|
160
|
225
|
200
|
482
|
138
|
GB/T6070
|
GDQ-J(S)200
|
200
|
285
|
260
|
620
|
200
|
12-Φ11
|
DN50(GB/T6070)
|
GDQ-J(S)250
|
250
|
335
|
310
|
655
|
208
|
DN63(GB/T6070)
|
GDQ-J(S)300
|
300
|
380
|
350
|
783
|
250
|
8-Φ14
|
DN80(GB/T6070)
|
JB919
|
GDQ-J(S)320
|
320
|
425
|
395
|
789
|
250
|
12-Φ14
|
GB/T6070
|
GDQ-J(S)400
|
400
|
510
|
480
|
1210
|
330
|
16-Φ14
|
DN100(GB/T6070)
|
16-M12
|
GDQ-J(S)400
|
400
|
500
|
465
|
1210
|
330
|
8-M16
|
JB919
|
GDQ-J(S)500
|
500
|
610
|
580
|
1270
|
360
|
DN125(GB/T6070)
|
16-M10
|
GB/T6070
|
GDQ-J(S)600
|
600
|
710
|
670
|
1562
|
450
|
12-Φ21
|
DN160(GB/T6070)
|
12-M18
|
JB919
|
GDQ-J(S)630
|
630
|
750
|
720
|
1562
|
450
|
20-Φ14
|
20-M10
|
GB/T6070
|
GDQ-J(S)800
|
800
|
920
|
890
|
1900
|
520
|
24-Φ14
|
DN200(GB/T6070)
|
24-M10
|
提示:本文中所有文字、数据、图片均只适用于参考,需要了解更详细的【GDQ型气动高真空挡板阀】参数、选型、价格等请联系我们,我们将竭诚为您服务!