当前位置:首页 >> 过滤器
>> 管道过滤器 >> 卧式篮式过滤器 更新时间 2026-3-19 23:07:08
管道过滤器
| 卧式篮式过滤器 |
![]() |
产品名称: | 卧式篮式过滤器 | |||||
| 型号: | LPGW | ||||||
| 口径: | DN100-1000 | ||||||
| 压力: | 0.6-10.0MPa | ||||||
| 材质: | 铸钢、不锈钢等 | ||||||
|
|||||||
| 您正在浏览:【卧式篮式过滤器】 | |||||||
卧式篮式过滤器详细介绍
卧式篮式过滤器产品概述:
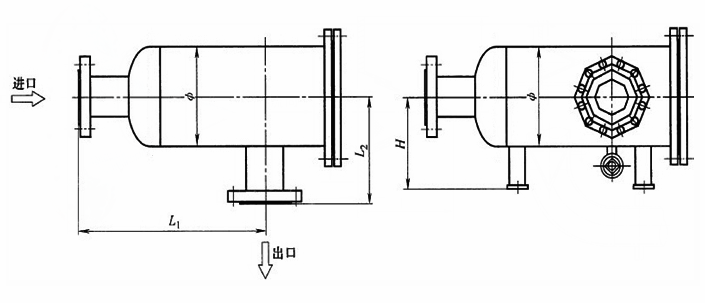
卧式过滤器是一种卧式安装适用于介质为液体的管道用篮式过滤器,由封头和筒体组成壳体,其左侧和正面方向分别设有流体进口和出口,壳体内置有有利于机械杂质分离沉降的滤芯,并经侧盖和壳体右侧端盖法兰通过紧固螺母压紧固定,工作时,待处理液体从左侧进液口进入过滤器内,经过置有一定规格滤网的滤筒后将固体杂质滤除掉,从出液口流出即可,当需要清洗时,只要将可拆卸的侧盖打开,把滤芯从筒体内抽出,处理后重新装入即可,因此,使用维护极为方便。
卧式篮式过滤器产品特点:
卧式过滤器是我厂选用JB/T 7538-2016管道用篮式过滤器标准设计制造的一款产品,其采用双层过滤网结构,一层是由不锈钢冷轧钢板冲制成粗间隙圆孔筛板卷制而成的滤筒,另层为使用细间隙金属丝编织方孔筛网制做的滤网,可以对液体中的大小颗粒杂质同时进行过滤,能够给予双重的保护,本产品具有过滤面积大,过滤芯的净过流面积为进口截流面积的3~10倍,压力损失小,排污清洗方便等特点,特别适合固体杂质含量较多的工作介质,宜安装在有90°流向变化处。
卧式篮式过滤器性能规范:

卧式篮式过滤器零件材料:

卧式篮式过滤器外形结构图:

卧式篮式过滤器外形尺寸表:

卧式篮式过滤器订货参数:
尊敬的客户!如果您需要订购我公司卧式篮式过滤器产品,咨询时请提供型号数据,公称直径、公称压力、壳体材质、滤篮材质及过滤精度、法兰标准、法兰密封面形式等。本系列产品按功能类别不同有LPG(W)型卧式普通过滤器和LPGK(W)型卧式快开过滤器两种,如有特殊要求,请来电咨询。
提示:本文中所有文字、数据、图片均只适用于参考,需要了解更详细的【卧式篮式过滤器】参数、选型、价格等请联系我们,我们将竭诚为您服务!



















