当前位置:首页 >> 保温阀门
>> 保温球阀 >> 保温夹套球阀 更新时间 2026-3-19 23:04:47
保温球阀
| 保温夹套球阀 |
![]() |
产品名称: | 保温夹套球阀 | |||||
| 型号: | BQ41F | ||||||
| 口径: | DN15-200 | ||||||
| 压力: | 1.6-4.0MPa | ||||||
| 材质: | 碳钢、不锈钢等 | ||||||
|
|||||||
| 您正在浏览:【保温夹套球阀】 | |||||||
保温夹套球阀详细介绍
保温夹套球阀产品概述:
保温球阀也称夹套球阀,是在球阀的基础上焊装金属夹套,用于注入蒸汽或其它保温、保冷介质,确保阀内介质能够正常工作。保温夹套球阀具有良好的保温保冷特性,且阀门的通径与管径一致,同时又能有效降低管路中介质热量损失。保温夹套球阀主要用于石油、化工、冶金、制药、食品等各类系统中,以输送常温下会凝固的重油、胶类等高粘度介质。
保温夹套球阀结构特点:
1、保温夹套球阀采用整体式夹套结构设计,更能均匀地保温、保冷,比一般球阀体积更小,重量更轻,且无外漏,密封性能良好,夹套采用碳素钢管焊接比铸造的更加耐压牢固。 夹套、阀体外侧与夹套接管焊接,允许蒸汽或冷水的高压力为1MPa。
2、保温夹套球阀具有良好的保温、保冷特性,除缩径保温球阀外,阀门的通径和管径一至,介质呈直线流动,阻力小,能有效降低管路中介质热量的损失,因此,对容易凝固、高粘度的液体介质具有优良的性能。
保温夹套球阀规范标准:
结构长度标准:GB/T 12221-2005、ASME B 16.10
连接法兰标准:JB/T 79、GB/T 9113、ASME B 16.5
压力温度等级:GB/T 12224-2005
试验检验标准:GB/T 13927-2008、JB/T9092、API 598
保温夹套球阀零件材料:
| 序号 | 零件名称 | 材质 | |
| GB | ASTM | ||
| 1 | 夹套 | 25 | 105 |
| 2 | 阀座 | WCB | A216-WCB |
| 3 | 阀体 | 25 | A105 |
| 4 | 密封圈 | PTFE、对位聚苯 | |
| 5 | 球体 | ||
| 6 | 阀杆 | 1Cr13 | A247-410 |
| 7 | 填料 | 柔性石墨 | |
| 8 | 填料压盖 | WCB | A216-WCB |
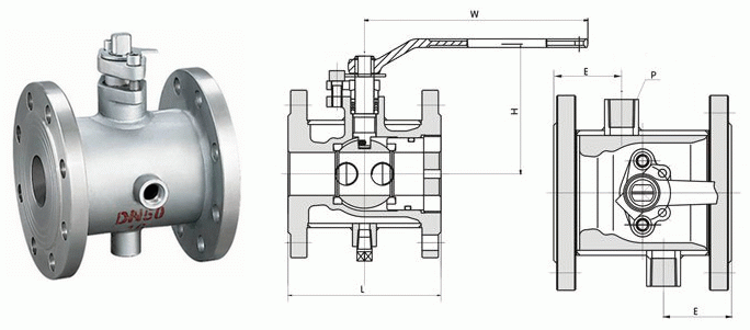
保温夹套球阀外形结构图:

保温夹套球阀连接尺寸:
| 公称通径(DN) | d | L | D | E | Q | H | W | 管螺纹 | ||
| (mm) | (in) | (mm) | (in) | P | ||||||
| 20 | 3/4" | 19 | 117 | 40 | 1 1/2" | 58.5 | 147 | 101 | 170 | G3/4" |
| 25 | 1" | 25 | 127 | 50 | 2" | 62.5 | 156 | 106 | 170 | G3/4" |
| 40 | 1 1/2" | 38 | 165 | 65 | 2 1/2" | 63.5 | 181 | 125 | 250 | G3/4" |
| 50 | 2" | 51 | 178 | 80 | 3" | 68 | 218 | 135 | 250 | G3/4" |
| 80 | 3" | 76 | 229 | 150 | 6" | 82 | 275 | 193 | 350 | G3/4" |
| 100 | 4" | 102 | 254 | 200 | 8" | 83 | 300 | 265 | 420 | G3/4" |
| 150 | 6" | 152 | 292 | 250 | 10" | 95 | 403 | 355 | 1000 | G3/4" |
| 200 | 8" | 203 | 330 | 300 | 12" | 100 | 495 | 410 | 1300 | G3/4" |
| 备注 | 法兰尺寸可按各种标准及用户要求设计制造
|
|||||||||
提示:本文中所有文字、数据、图片均只适用于参考,需要了解更详细的【保温夹套球阀】参数、选型、价格等请联系我们,我们将竭诚为您服务!



















