当前位置:首页 >> 保温阀门
>> 保温球阀 >> 保温放料球阀 更新时间 2026-3-19 23:04:25
保温球阀
| 保温放料球阀 |
![]() |
产品名称: | 保温放料球阀 | |||||
| 型号: | BFQ41PPL | ||||||
| 口径: | DN25-200 | ||||||
| 压力: | 1.0-4.0MPa | ||||||
| 材质: | 铸钢、不锈钢等 | ||||||
|
|||||||
| 您正在浏览:【保温放料球阀】 | |||||||
保温放料球阀详细介绍
保温放料球阀产品概述:
保温放料球阀是根据用户需要夹套注入蒸气、导热油、冷却水、冷气等。使用整个阀门长温或降温达到所需要的温度。能防止介质结晶。主要应用于化工、石油、制药、冶金等行业的系统管路中,主要作用是输送在常温状态下会凝固、易结晶的介质。具有结构紧凑、体积小、重量轻、密封性能好、启闭灵活、安装方便等特点。
保温放料球阀是根据用户需要夹套注入蒸气、导热油、冷却水、冷气等。使用整个阀门长温或降温达到所需要的温度。能防止介质结晶。主要应用于化工、石油、制药、冶金等行业的系统管路中,主要作用是输送在常温状态下会凝固、易结晶的介质。具有结构紧凑、体积小、重量轻、密封性能好、启闭灵活、安装方便等特点。
保温放料球阀开启过程:
1、在关闭位置,球体受阀杆的机械施压作用,紧压在阀座上。
2、当逆时针转动手轮时,阀杆则反向运动,其底部角形平面使球体脱开阀座。
3、阀杆继续提升,并与阀杆螺旋槽内的导销相互作用,使球体开始无摩擦地旋转。
4、直至到全开位置,阀杆提升到极限位置,球体旋转到全开位置。
保温放料球阀关闭过程:
1、关闭时,顺时针旋转手轮,阀杆开始下降并使球体离开阀座开始旋转。
2、继续旋转手轮,阀杆受到嵌于其上螺旋槽内的导销的作用,使阀杆和球体同时旋转90°。
3、快要关闭时,球体已在与阀座无接触的情况下旋转了90°。
4、手轮转动的最后几圈,阀杆底部的角形平面机械地楔向压迫球体,使其紧密地压在阀座上,达到完全密封。
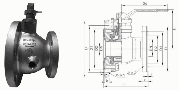
保温放料球阀产品结构图:

保温放料球阀连接尺寸:
| 公称通径 | PN10/16 | 参考值 | |||||||
| DN(mm) | L | D | D1 | D2 | Z-Φd | f | b | Do | H |
| 25/50 | 125 | 115/140 | 85/110 | 65/90 | 4-14/4-14 | 3/3 | 17/17 | 180 | 105 |
| 32/65 | 135 | 140/160 | 100/130 | 78/110 | 4-18/4-14 | 3/3 | 19/17 | 180 | 120 |
| 40/65 | 150 | 150/160 | 110/130 | 85/110 | 4-18/4-14 | 3/3 | 19/17 | 225 | 140 |
| 40/80 | 150 | 150/190 | 110/150 | 85/125 | 4-18/4-18 | 3/3 | 19/19 | 225 | 140 |
| 50/80 | 165 | 165/190 | 125/150 | 100/125 | 4-18/4-18 | 3/3 | 21/19 | 225 | 150 |
| 50/100 | 165 | 165/210 | 125/170 | 100/145 | 4-18/4-18 | 3/3 | 21/19 | 360 | 150 |
| 65/100 | 180 | 185/210 | 145/170 | 120/145 | 4-18/4-18 | 3/3 | 21/19 | 360 | 160 |
| 65/125 | 180 | 185/240 | 145/200 | 120/175 | 4-18/4-18 | 3/4 | 21/20 | 420 | 160 |
| 80/125 | 240 | 200/240 | 160/200 | 135/175 | 8-18/8-18 | 3/4 | 21/20 | 420 | 215 |
| 80/150 | 240 | 200/265 | 160/225 | 135/200 | 8-18/8-18 | 3/4 | 21/22 | 420 | 215 |
| 100/150 | 260 | 220/265 | 180/225 | 155/200 | 8-18/8-18 | 3/4 | 23/22 | 420 | 240 |
| 100/200 | 260 | 220/320 | 180/280 | 155/255 | 8-18/8-18 | 3/4 | 23/24 | 420 | 240 |
提示:本文中所有文字、数据、图片均只适用于参考,需要了解更详细的【保温放料球阀】参数、选型、价格等请联系我们,我们将竭诚为您服务!



















