当前位置:首页 >> 真空阀门
>> 真空不锈钢阀门 >> GDQ-J(b)/CF型气动超高真空挡板阀 更新时间 2026-3-19 23:01:08
真空不锈钢阀门
| GDQ-J(b)/CF型气动超高真空挡板阀 |
![]() |
产品名称: | GDQ-J(b)/CF型气动超高真空挡板阀 | |||||
| 型号: | GDQ-J(b)/CF | ||||||
| 口径: | DN16-50 | ||||||
| 压力: | 0.6×106 ~1.3×10-4 | ||||||
| 材质: | 304、316、316L不锈钢 | ||||||
|
|||||||
| 您正在浏览:【GDQ-J(b)/CF型气动超高真空挡板阀】 | |||||||
GDQ-J(b)/CF型气动超高真空挡板阀详细介绍
GDQ-J(b)/CF型气动超高真空挡板阀产品概述:
GDQ-J(b)/CF型系列气动超高真空挡板阀轴封为波纹管密封,该阀以压缩空气为动力,通过电磁换向阀改变气路方向,在失去电源或压缩空气时,阀门将依靠弹簧力自动关闭,达到在真空系统中接通或切断气流的目的。本阀具有工作平稳、密封可靠、寿命长等一系列优点,是真空设备自动化首选阀门之一。阀门具有常开和常闭功能,可选配磁性开关信号控制和防爆电磁阀装置。适用的工作介质为空气、水蒸气、腐蚀性气体。

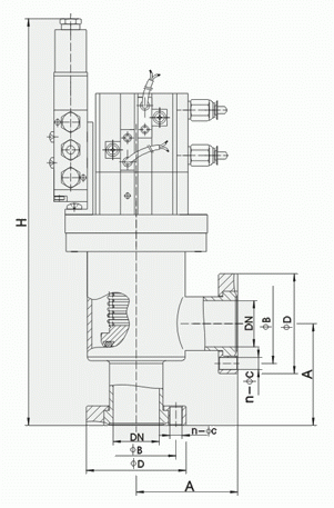
GDQ-J(b)/CF型气动超高真空挡板阀技术性能及连接尺寸:

提示:本文中所有文字、数据、图片均只适用于参考,需要了解更详细的【GDQ-J(b)/CF型气动超高真空挡板阀】参数、选型、价格等请联系我们,我们将竭诚为您服务!



















