当前位置:首页 >> 塑料阀门
>> 电动塑料阀门 >> 电动塑料蝶阀 更新时间 2026-1-14 15:57:09
电动塑料阀门
| 电动塑料蝶阀 |
![]() |
产品名称: | 电动塑料蝶阀 | |||||
| 型号: | D971X-10S | ||||||
| 口径: | DN50-600 | ||||||
| 压力: | 1.0-2.5MPa | ||||||
| 材质: | RPP/PPH/UPVC/CPVC/PVDF | ||||||
|
|||||||
| 您正在浏览:【电动塑料蝶阀】 | |||||||
电动塑料蝶阀详细介绍
D971X-10S电动塑料蝶阀概述:
电动塑料蝶阀阀体结构为中线式。D971X-10S电动塑料蝶阀(亦称PVC电动蝶阀)采用一体式电动执行器和塑料蝶阀组成。输入220V电源即可直接进行开关量调节,亦可内置伺服模块,输入控制信号(4~20mADC或1~5VDC)及单相电源即可控制运转。电动塑料蝶阀(PVC电动蝶阀)被应用于多个领域,如一般纯水和生饮水的管路系统、排水和污水管路系统、盐水和海水管路系统、酸碱和化学溶液系统等多个行业,品质得到广大用户的认可。阀杆与蝶板融为一体,蝶板旋转90°,即可实现阀门的启闭过程。连接方式为对夹式。适用介质:水、空气、油类、腐蚀性化学液体,塑料蝶阀分类:手柄式塑料蝶阀,蜗轮式塑料蝶阀,气动塑料蝶阀,电动塑料蝶阀等。D971X-10S电动塑料蝶阀性能特点:
1、电动塑料蝶阀的阀体只需最小的安装空间,工作原理简单可靠;
2、近似等百分比的流量特性,可用于调节或开关式控制;
3、电动塑料蝶阀的阀体配合标准的凸面管道法兰;
4、优越的经济性能使得蝶阀的应用行业最为广泛;
5、电动塑料蝶阀具有很大的流通能力,经过阀门的压力损失极小;
6、蝶阀阀体具有非常显著的经济性,尤其是较大口径的蝶阀;
7、电动塑料蝶阀特别适合于介质较洁净的液体和气体。
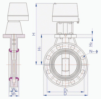
D971X-10S电动塑料蝶阀外形结构图:

D971X-10S电动塑料蝶阀连接尺寸:
公称通径 |
D1 |
N-Φ |
D |
H1 |
H2 |
W1 |
W2 |
50 |
125 |
4-18 |
165 |
103 |
13 |
42.5 |
34.6 |
65 |
145 |
4-18 |
185 |
113 |
13 |
46 |
37 |
80 |
160 |
8-18 |
200 |
115 |
13 |
46 |
37 |
100 |
180 |
8-18 |
229 |
135.5 |
13 |
56 |
47 |
125 |
210 |
8-18 |
257 |
165 |
15 |
69 |
57 |
150 |
240 |
8-22 |
285 |
177 |
19 |
72 |
62 |
200 |
295 |
8-22 |
343 |
210 |
21 |
85 |
69 |
250 |
350 |
12-22 |
411 |
242 |
22 |
109 |
95.5 |
300 |
400 |
12-22 |
490 |
302 |
26 |
133 |
116.5 |
350 |
460 |
16-22 |
530 |
300 |
25.5 |
127 |
113 |
400 |
515 |
16-27 |
600 |
318 |
32 |
166.4 |
160 |
450 |
565 |
20-27 |
630 |
370 |
35 |
179 |
171 |
500 |
620 |
20-27 |
696 |
410 |
34 |
189.5 |
180 |
600 |
725 |
20-30 |
813 |
480 |
43 |
210 |
201 |
单位为毫米(mm) |
|||||||
D971X-10S电动塑料蝶阀安装维护说明:
电动塑料蝶阀具有内伺服操作和开度信号位置反馈、位置指示、手动操作等功能,功能强、性能可靠、连线简单(电源电压:220V/50Hz、380V/50Hz、输入信号:4-20mA或1-5V·DC、输出信号:4-20mA·DC,防护等级:相当IP67、隔爆标志:ExdⅡBT4)。安装前应完成以下工作:
1、仔细核对电动塑料蝶阀使用情况是否与其性能规范相符;(温度、压力、介质)
2、开箱后阀门要及时安装,请勿随意松动阀门上的任何紧固螺钉或螺母;
3、阀在安装之前,最好处于关闭状态为宜,焊接时应将阀门通道用盖板挡住;防止颗粒、杂物搓伤密封面;
4、DN200口径以上中线对夹式电动蝶阀必须配专用法兰;
5、安装、调试人员要仔细阅读使用说明书和气动、电动执行器等说明书,严格按说明书、接线图进行安装、操作、调试及接线;
6、用户要求试压时,务必用两端法兰对夹装好或在阀门试压台试压;
7、应存放在干燥通风的室内,检查通道及密封面是否有杂物,并及时清除,两端通道必须封口,严禁堆放。
提示:本文中所有文字、数据、图片均只适用于参考,需要了解更详细的【电动塑料蝶阀】参数、选型、价格等请联系我们,我们将竭诚为您服务!



















