当前位置:首页 >> 球阀
>> 电动球阀 >> 电动三通换向阀 更新时间 2026-3-19 23:13:59
电动球阀
| 电动三通换向阀 |
![]() |
产品名称: | 电动三通换向阀 | |||||
| 型号: | Q942F/H/Y | ||||||
| 口径: | DN15-300 | ||||||
| 压力: | PN1.0-6.4MPa | ||||||
| 材质: | 碳钢、不锈钢、双相钢等 | ||||||
|
|||||||
| 您正在浏览:【电动三通换向阀】 | |||||||
电动三通换向阀详细介绍
电动三通换向阀产品概述:
电动三通换向阀是一种主要由Y型三通球阀、支架、部分回转式角行程电动装置及附件等组成,在接入380VAC或220VAC电源通电运行时,电动机产生的动力经减速机构分别输出到行程和转矩控制机构并传输给输出轴,用来在阀杆上端施加一定的转矩并传递给球体,使它向右或是向左旋转120°或135°来达到改变介质流动方向和自动化控制功能的电动Y型三通换向阀。该阀出厂时通过安装调节,其球体通孔在左出料口呈全开状态,此时进口与左出口相连通,当需要切换物料的流通方向时,用户在现场可通过控制旋钮灯盒上的旋钮进行操作,完成对电装的操作指令,使它驱动阀杆带动球体向顺时针方向旋转120°或135°,球体通孔则在右出料口呈全开状态,介质便从进口进入,由右出口流出,流向改变。
电动三通换向阀具有密封性好、流通能力大、操作方便,可远程使阀门连通状态运动到所需位置,实现管道中介质流向切换自动化控制等优点,广泛应用于化工塑胶、冶金矿产、节能环保、建筑建材、玻璃陶瓷和食品饮料等领域的粉体、粉料、颗粒料、粉粒混合料和片状料等固体物料输送。

电动三通换向阀零件材料:

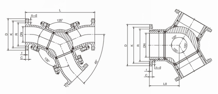
电动三通换向阀外形结构图:

电动三通换向阀外形尺寸表:

电动三通换向阀订货参数:
电动三通换向阀可根据工况需要,将两出口端之间的夹角设计成30°、45°、60°、90°、120°及其他角度等,可配置AT、GT、AW双作用气动执行器。尊敬的客户!如果您需要订购我公司电动三通换向阀产品,请说明公称尺寸、压力等级、阀体材质、内件材料、流道角度、使用温度、法兰标准及法兰密封面形式等。
提示:本文中所有文字、数据、图片均只适用于参考,需要了解更详细的【电动三通换向阀】参数、选型、价格等请联系我们,我们将竭诚为您服务!



















