当前位置:首页 >> 疏水阀
>> 疏水调节阀 >> 浮球式蒸汽疏水调节阀 更新时间 2026-3-19 23:15:25
疏水调节阀
| 浮球式蒸汽疏水调节阀 |
![]() |
产品名称: | 浮球式蒸汽疏水调节阀 | |||||
| 型号: | T47H | ||||||
| 口径: | DN40-200 | ||||||
| 压力: | PN1.0-6.4MPa | ||||||
| 材质: | 碳钢、不锈钢、双相钢等 | ||||||
|
|||||||
| 您正在浏览:【浮球式蒸汽疏水调节阀】 | |||||||
浮球式蒸汽疏水调节阀详细介绍
浮球式蒸汽疏水调节阀产品概述:
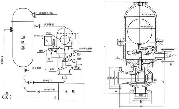
浮球式蒸汽疏水调节阀适用于电站、化工、造纸等行业具有加热器的工业部门,用于除氧汽水箱水位的调节。浮球式蒸汽疏水调节阀控制加热器中的水量多少的设备。
浮球式蒸汽疏水调节阀产品优点:
浮球式蒸汽疏水调节阀产品优点:
1、浮球式蒸汽疏水调节阀外形尺寸较大。适用于较大背压力且不会泄漏蒸汽,排出的凝结水是接近蒸汽压力的饱和水,故可以增加本阀门的设备热效率和二次蒸汽利用的节能特点。
2、浮球式蒸汽疏水调节阀随着凝结水液面上升,当浮球升到距罩盖底平面403mm时,阀门全开使冷凝结水大量排入水箱。当浮球下降113毫米后。阀门全关。冷凝水不能流出,使浮球稳定的限制在113-403毫米的空间范围内变化。从而使阀门达到只能排放空气和水殛高温冷凝水,而阻止蒸汽泄漏。
3、浮球式蒸汽疏水调节阀是利用凝结水液位的变化而使浮球上升和下降,也可以手柄操作。从而驱动下部的启闭装置。开启和关闭。实现排水阻气的功能。
浮球式蒸汽疏水调节阀外形结构图:

浮球式蒸汽疏水调节阀外形尺寸表:

浮球式蒸汽疏水调节阀订货参数:
尊敬的客户!如果您需要订购我公司浮球式蒸汽疏水调节阀产品,有技术要求,须在订货合同中注明,安装使用前必须用气体吹扫管线,清除污垢、灰尘、杂物等。
提示:本文中所有文字、数据、图片均只适用于参考,需要了解更详细的【浮球式蒸汽疏水调节阀】参数、选型、价格等请联系我们,我们将竭诚为您服务!



















