当前位置:首页 >> 美标阀门
>> 美标过滤器 >> 美标法兰Y型过滤器 更新时间 2026-3-19 23:06:48
美标过滤器
| 美标法兰Y型过滤器 |
![]() |
产品名称: | 美标法兰Y型过滤器 | |||||
| 型号: | GL41H/W | ||||||
| 口径: | DN15-600 | ||||||
| 压力: | 150-900LB | ||||||
| 材质: | 碳钢、不锈钢等 | ||||||
|
|||||||
| 您正在浏览:【美标法兰Y型过滤器】 | |||||||
美标法兰Y型过滤器详细介绍
美标法兰Y型过滤器产品概述:
美标Y型过滤器外型结构和过滤原理与国标Y型过滤器基本相似,都是以圆柱形不锈钢冲孔板滤筒和安装在滤筒内的编制网为过滤芯件,机械地(在机械力的作用下)将固体杂质从流动的液体或气体中提取出来,进行过滤,其技术要求、连接型式及尺寸、材料、压力—温度等级、检验与试验等符合美国标准,主要安装在按美标设计的管路中,用来保护系统中的泵、阀门以及其他重要流体控制元件等。
美标Y型过滤器外型结构和过滤原理与国标Y型过滤器基本相似,都是以圆柱形不锈钢冲孔板滤筒和安装在滤筒内的编制网为过滤芯件,机械地(在机械力的作用下)将固体杂质从流动的液体或气体中提取出来,进行过滤,其技术要求、连接型式及尺寸、材料、压力—温度等级、检验与试验等符合美国标准,主要安装在按美标设计的管路中,用来保护系统中的泵、阀门以及其他重要流体控制元件等。
美标法兰Y型过滤器产品优点:
美标法兰Y型过滤器设计制造按API 6D、ASME B16.34或ANSI B16.34标准执行,连接法兰选用ASME B16.5、ASME B16.47、ANSI B16.5等;检验与试验符合API 598或API 6D;结构长度遵循ANSIB16.10、ASME B16.10及API 6D标准。我公司生产的美标法兰Y型过滤器,低压壳体一般为铸造而成,而高压小口径一般为锻造壳体,可根据客户不同需要设置过滤网目数。
美标法兰Y型过滤器性能规范:

美标法兰Y型过滤器零件材料:

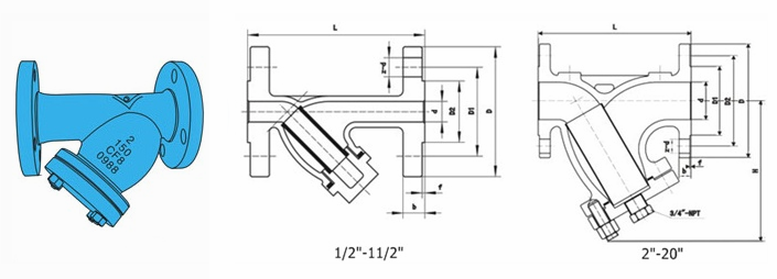
美标法兰Y型过滤器外形结构图:

美标法兰Y型过滤器外形尺寸表:


美标法兰Y型过滤器订货参数:
尊敬的客户!如果您需要订购我公司美标Y型过滤器产品,咨询时请提供压力磅级、公称尺寸、壳体材料、滤筒滤网材质、过滤精度、法兰密封面形式等参数。
提示:本文中所有文字、数据、图片均只适用于参考,需要了解更详细的【美标法兰Y型过滤器】参数、选型、价格等请联系我们,我们将竭诚为您服务!



















