当前位置:首页 >> 放料阀
>> 气动放料阀 >> 衬氟气动放料阀 更新时间 2026-3-19 23:10:32
气动放料阀
| 衬氟气动放料阀 |
![]() |
产品名称: | 衬氟气动放料阀 | |||||
| 型号: | FL641F46、FL645F46 | ||||||
| 口径: | DN25-200 | ||||||
| 压力: | 1.0-2.5MPa | ||||||
| 材质: | 碳钢、不锈钢等 | ||||||
|
|||||||
| 您正在浏览:【衬氟气动放料阀】 | |||||||
衬氟气动放料阀详细介绍
衬氟气动放料阀产品概述:
衬氟气动放料阀是在金属阀门与流体接触的各个部位(包括阀体内腔、阀瓣和阀杆光杆部分等)均包衬了一层氟塑料,使其与腐蚀性介质隔断开来,从而让它既有钢制放料阀的机械强度,又有氟塑料的耐腐性。该阀衬里层由于分子结构中引入具有负电性的氟原子,因而有很高的化学稳定性和耐高低温性能,除了熔融碱金属、ClF₃及元素氟外,它能抵抗无论何种浓度的酸、碱、盐、氧化剂和其它强腐蚀性介质的腐蚀,而且它可以产生弹性变形,因此有助于密封,泄漏等级可以做到IV级。
衬氟气动放料阀产品优点:
衬氟气动放料阀有手动、气动、气动带手动、电动等传动方式,端部采用法兰连接,适用于无硬质固体颗粒的酸、碱、盐等腐蚀性的物料储槽、反应釜、储罐和其他容器之放料及取样。
衬氟气动放料阀产品优点:
衬氟气动放料阀有手动、气动、气动带手动、电动等传动方式,端部采用法兰连接,适用于无硬质固体颗粒的酸、碱、盐等腐蚀性的物料储槽、反应釜、储罐和其他容器之放料及取样。

衬氟气动放料阀零件材料:

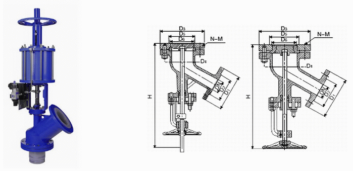
衬氟气动放料阀外形结构图:

衬氟气动放料阀外形尺寸表:

提示:本文中所有文字、数据、图片均只适用于参考,需要了解更详细的【衬氟气动放料阀】参数、选型、价格等请联系我们,我们将竭诚为您服务!



















