当前位置:首页 >> 陶瓷阀门
>> 陶瓷刀闸阀 >> 陶瓷刀闸阀 更新时间 2026-3-19 23:01:51
陶瓷刀闸阀
| 陶瓷刀闸阀 |
![]() |
产品名称: | 陶瓷刀闸阀 | |||||
| 型号: | PZ73TC | ||||||
| 口径: | DN50-600 | ||||||
| 压力: | 1.0-6.4MPa | ||||||
| 材质: | 铸钢、不锈钢 | ||||||
|
|||||||
| 您正在浏览:【陶瓷刀闸阀】 | |||||||
陶瓷刀闸阀详细介绍
陶瓷刀闸阀产品概述:
陶瓷刀闸阀适于用高硬度的颗粒等介质,有软颗粒但又有腐蚀性的介质的管道上作启闭之用。产品广泛适用于灰渣、泥渣、煤浆、矿浆、污水等固体、液固、气固二相介质输送系统,尤其适用于火力发电厂石子煤系统。可采用手动、气动和电动等驱动方式。闸板、阀座密封面材料采用结构陶瓷制造,耐磨损、耐腐蚀、抗高温、密封面采用硬密封与介质接触的部分均为结构陶瓷材料,其化学稳定性及硬度极高。因此,本阀具有极高的耐磨损、耐蚀、耐冲蚀性能,且隔热性好、热膨胀小。
陶瓷刀闸阀结构特点:
1、陶瓷刀闸阀料口全流通无阻挡物,耐磨性能强、密封性能好,启动负荷小卡灰及结灰现象少。
2、本阀采用高档曾韧结构陶瓷密封,机械强度高、耐磨性能好、使用寿命长、结构紧凑,可任意角度安装。
2、本阀采用高档曾韧结构陶瓷密封,机械强度高、耐磨性能好、使用寿命长、结构紧凑,可任意角度安装。
陶瓷刀闸阀应用规范:
| 设计与制造 | GB/T 8691 | |
| 连接端尺寸 | 结构长度 | GB/T 15188.2 |
| 法兰尺寸 | JB/T 79.1 | |
| 检验与试验 | JB/T 8691 | |
| 材料 | 碳钢 | GB/T 12229 |
| 不锈钢 | GB/T 12230 | |
| 标志 | GB/T 12220 | |
| 供货 | GB/T 12252 | |
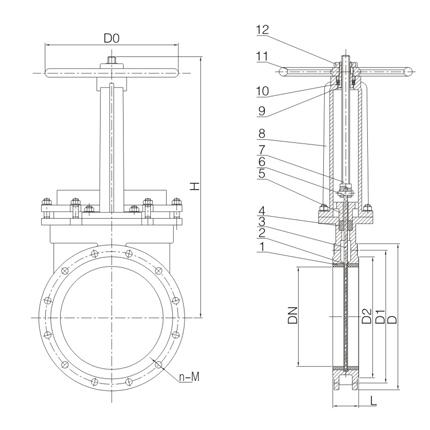
陶瓷刀闸阀零件材料:
| 序号 | 名称 | 材料 | 序号 | 名称 | 材料 |
| 1 | 阀座 | 结构陶瓷 | 7 | 阀杆 | 2Cr13 |
| 2 | 阀体 | WCB | 8 | 支架 | WCB |
| 3 | 阀板 | 304+结构陶瓷 | 9 | 螺母 | 青铜 |
| 4 | 填料 | 柔性石墨 | 10 | 轴承 | |
| 5 | 填料压盖 | WCB | 11 | 手轮 | Qt400 |
| 6 | 锁轴 | 2Cr13 | 12 | 圆螺母 | 25# |
陶瓷刀闸阀外形结构图:

陶瓷刀闸阀连接尺寸:
| DN | PN(Mpa) | L | D | D1 | D2 | H | n-M | D0 | b |
| 50 | 1.0 | 43 | 165 | 125 | 100 | 285 | 4-M16 | 180 | 12 |
| 65 | 46 | 185 | 145 | 120 | 295 | 4-M16 | 180 | 12 | |
| 80 | 46 | 200 | 160 | 135 | 315 | 8-M16 | 220 | 12 | |
| 100 | 52 | 220 | 180 | 155 | 365 | 8-M16 | 220 | 12 | |
| 125 | 56 | 250 | 210 | 185 | 400 | 8-M16 | 230 | 12 | |
| 150 | 56 | 285 | 240 | 210 | 475 | 8-M20 | 280 | 14 | |
| 200 | 60 | 340 | 295 | 265 | 540 | 12-M20 | 360 | 14 | |
| 250 | 68 | 405 | 355 | 320 | 630 | 12-M24 | 360 | 16 | |
| 300 | 78 | 460 | 410 | 375 | 780 | 12-M24 | 400 | 16 | |
| 350 | 90 | 520 | 470 | 435 | 885 | 16-M24 | 400 | 16 | |
| 400 | 90 | 580 | 525 | 485 | 990 | 16-M27 | 400 | 18 | |
| 450 | 90 | 640 | 585 | 545 | 1100 | 20-M27 | 530 | 18 | |
| 500 | 114 | 715 | 650 | 608 | 1200 | 20-M30 | 530 | 18 | |
| 600 | 154 | 840 | 770 | 718 | 1450 | 20-M33 | 600 | 20 |
提示:本文中所有文字、数据、图片均只适用于参考,需要了解更详细的【陶瓷刀闸阀】参数、选型、价格等请联系我们,我们将竭诚为您服务!



















