当前位置:首页 >> 角座阀
>> 法兰角座阀 >> 法兰气动角座阀 更新时间 2026-3-19 22:56:39
法兰角座阀
| 法兰气动角座阀 |
![]() |
产品名称: | 法兰气动角座阀 | |||||
| 型号: | Y645F/W | ||||||
| 口径: | DN15-100 | ||||||
| 压力: | 1.6-4.0MPa | ||||||
| 材质: | 304、316不锈钢 | ||||||
|
|||||||
| 您正在浏览:【法兰气动角座阀】 | |||||||
法兰气动角座阀详细介绍
法兰气动角座阀主要技术参数:
阀体材质:304、316、316L阀芯材质:304、316、316L
阀座材质:PTFE、F46
公称通径:DN15-DN80
适用温度:PTFE:-30℃~180℃
环境温度:-30℃~80℃
公称压力:1.6Mpa
连接方式:法兰式
设计标准:GB、ANSI、DIN、ISO
控制方式:单作用:气开式、气关式,双作用
气缸材质:聚酰胺PA、不锈钢
可选附件:电磁阀、限位开关、电气定位器
法兰气动角座阀外形结构图:
口径 |
英寸 |
内径 |
Kv值 |
最大压差 |
气源压力 |
气缸缸径 |
流向 |
|
DN10 |
3/8’ |
10 |
3.7 |
0-16bar |
4-7bar |
50 |
蒸汽、气体 阀座上流向 |
|
DN15 |
1/2’ |
15 |
4.2 |
50 |
||||
DN20 |
3/4’ |
20 |
8.0 |
50 |
||||
DN25 |
1’ |
25 |
19.0 |
63 |
||||
DN32 |
1-1/4’ |
32 |
27.5 |
63 |
||||
DN40 |
1-1/2’ |
40 |
42.0 |
63 |
液体、气体 防水锤 阀座下流向 |
|||
DN50 |
2’ |
50 |
55.0 |
80 |
||||
DN65 |
2-1/2’ |
65 |
90 |
100 |
||||
DN80 |
3 |
80 |
100 |
|||||
DN100 |
4 |
100 |
125 |
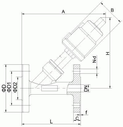
法兰气动角座阀外形结构图:
法兰气动角座阀连接尺寸:
口径 |
英寸 |
法兰气动角座阀 |
重量 |
|||||||||
L |
D |
D1 |
D2 |
A |
B |
H |
C |
f |
N-d |
|||
DN10 |
3/8’ |
2.01 |
||||||||||
DN15 |
1/2’ |
120 |
95 |
65 |
40 |
180 |
64 |
137 |
14 |
2 |
4-14 |
2.10 |
DN20 |
3/4’ |
130 |
105 |
75 |
50 |
185 |
64 |
145 |
14 |
2 |
4-14 |
2.35 |
DN25 |
1’ |
140 |
115 |
85 |
60 |
210 |
80 |
173 |
14 |
2 |
4-14 |
3.5 |
DN32 |
1-1/4’ |
150 |
135 |
100 |
70 |
240 |
80 |
210 |
16 |
2 |
4-18 |
5.5 |
DN40 |
1-1/2’ |
180 |
145 |
110 |
80 |
245 |
80 |
260 |
16 |
2 |
4-18 |
7.1 |
DN50 |
2’ |
195 |
160 |
125 |
92 |
295 |
100 |
300 |
16 |
2 |
4-18 |
11.75 |
DN65 |
2-1/2 |
230 |
185 |
145 |
115 |
320 |
126 |
315 |
18 |
2 |
4-18 |
14.1 |
DN80 |
3 |
250 |
195 |
160 |
130 |
330 |
126 |
330 |
18 |
2 |
8-18 |
20.25 |
DN100 |
4 |
280 |
215 |
180 |
150 |
350 |
156 |
350 |
18 |
2 |
8-18 |
22.35 |
提示:本文中所有文字、数据、图片均只适用于参考,需要了解更详细的【法兰气动角座阀】参数、选型、价格等请联系我们,我们将竭诚为您服务!



















