当前位置:首页 >> 蝶阀
>> 衬氟蝶阀 >> 法兰式衬氟不锈钢蝶阀 更新时间 2026-3-19 23:00:05
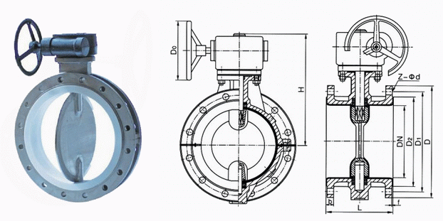
衬氟蝶阀
| 法兰式衬氟不锈钢蝶阀 |
![]() |
产品名称: | 法兰式衬氟不锈钢蝶阀 | |||||
| 型号: | D341F46 | ||||||
| 口径: | DN40-1200 | ||||||
| 压力: | 0.6-2.5MPa | ||||||
| 材质: | 铸铁、铸钢、不锈钢 | ||||||
|
|||||||
| 您正在浏览:【法兰式衬氟不锈钢蝶阀】 | |||||||
法兰式衬氟不锈钢蝶阀详细介绍
法兰式衬氟不锈钢蝶阀产品概述:
D341F46法兰式衬氟不锈钢蝶阀是用阀杆一起转动的蝶板作启闭件,用以实现阀门的开启、关闭与调节。蝶阀在管路中除了起切断和截流用外,近年来已经把密封性能作为评价的主要指标,受到市场青睐。另外,蝶阀还有体裁积小、重量轻、结构简单等优点,与同参数闸阀比较,平均减轻重量达30~50%,蝶板旋转90度即可实现启、闭过程,又由于转轴两侧蝶板受介质作用力近似相等,转矩相反,因此启闭力矩较小。法兰式衬氟蝶阀适用在-50℃~150℃的各种浓度的王水、硫酸、盐酸、氢氟酸和各种有机酸、强酸、强氧化剂,FEP还适用于各种浓度的强碱有机溶剂以及其它腐蚀性气体、液体介质的管路上使用。
法兰式衬氟不锈钢蝶阀工作原理:
法兰式衬氟蝶阀蝶板的回转中心位于阀体的中心线和蝶板的密封面截面上。阀座采用四氟塑料。关闭时蝶板的外圆密封面挤压四氟阀卒,使阀座产生弹性变形,从而形成弹性力作为密封比压保证衬氟蝶阀的密封。法兰式衬氟蝶阀密封结构采用聚四氟乙烯、使阀座在具有弹性的同时强度更好。同时将蝶板用聚四氟乙烯全包覆,使蝶板具有较强的抗腐蚀性能。
1、中线蝶阀为整个蝶板与阀座在360°圆周内同心(中线),具有双向密封功能,压力、流量可自由调节。
2、偏心蝶阀为二维方向偏心产生的凸轮效应会使密封副产生足够的密封比压,并且随着工作压力的升高,密封副产生足够的密封比压,并且随着工作压力的升高,密封效果更理想。
3、四级加载弹性密封,绝对保证了阀门内、外的零泄露。
a、轴头、蝶板圆周连接处的特殊过渡曲线与阀座的合理过盈。
b、轴头端面采用弹性O型圈和轴肩处刚性垫圈、弹性橡胶垫组合。
c、轴的径向采用O型圈与金属垫的组合。
d、阀座镶在有弹性条的阀体槽内。
4、采用可调性弹子定位,定位准确,结构简单。

法兰式衬氟不锈钢蝶阀连接尺寸:
公称通径
|
标准值
|
参考值
|
|||||||||
DN (mm)
|
NPS (inch)
|
L
|
D
|
D1
|
D2
|
f
|
b
|
Z-φd
|
D0
|
H
|
W(kg)
|
PN0.6(MPa)
|
|||||||||||
40
|
11/2
|
106
|
130
|
100
|
80
|
3
|
16
|
4-φ14
|
160
|
140
|
10
|
50
|
2
|
108
|
140
|
110
|
90
|
3
|
16
|
4-φ14
|
200
|
160
|
12
|
65
|
21/2
|
112
|
160
|
130
|
110
|
3
|
16
|
4-φ14
|
250
|
160
|
13
|
80
|
3
|
114
|
185
|
150
|
125
|
3
|
18
|
4-φ18
|
250
|
170
|
14
|
100
|
4
|
127
|
205
|
170
|
145
|
3
|
18
|
4-φ18
|
300
|
180
|
16
|
125
|
5
|
140
|
235
|
200
|
175
|
3
|
20
|
8-φ18
|
300
|
275
|
18
|
150
|
6
|
140
|
260
|
225
|
200
|
3
|
20
|
8-φ18
|
200
|
295
|
38
|
200
|
8
|
152
|
315
|
280
|
255
|
3
|
22
|
8-φ18
|
200
|
320
|
74
|
250
|
10
|
250
|
470
|
335
|
310
|
3
|
24
|
12-φ18
|
240
|
385
|
105
|
300
|
12
|
270
|
435
|
375
|
362
|
4
|
24
|
12-φ23
|
240
|
390
|
142
|
350
|
14
|
290
|
485
|
445
|
412
|
4
|
26
|
16-φ25
|
240
|
460
|
179
|
400
|
16
|
310
|
535
|
495
|
462
|
4
|
28
|
16-φ23
|
280
|
510
|
220
|
450
|
18
|
330
|
590
|
550
|
518
|
4
|
28
|
16-φ23
|
280
|
540
|
268
|
500
|
20
|
350
|
640
|
600
|
568
|
4
|
30
|
16-φ23
|
320
|
570
|
378
|
600
|
24
|
390
|
755
|
705
|
670
|
5
|
30
|
20-φ25
|
320
|
660
|
608
|
700
|
28
|
430
|
860
|
810
|
775
|
5
|
32
|
24-φ25
|
360
|
710
|
1050
|
800
|
32
|
470
|
975
|
920
|
880
|
5
|
34
|
24-φ30
|
360
|
780
|
1320
|
900
|
36
|
510
|
1075
|
1020
|
980
|
5
|
36
|
24-φ30
|
380
|
885
|
1795
|
1000
|
40
|
550
|
1175
|
1120
|
1080
|
5
|
36
|
28-φ30
|
400
|
990
|
1900
|
公称通径
|
标准值
|
参考值
|
|||||||||
DN (mm)
|
NPS (inch)
|
L
|
D
|
D1
|
D2
|
f
|
b
|
Z-φd
|
D0
|
H
|
W(kg)
|
PN1.0(MPa)
|
|||||||||||
40
|
11/2
|
106
|
145
|
110
|
85
|
3
|
18
|
4-φ18
|
160
|
140
|
10
|
50
|
2
|
108
|
160
|
125
|
100
|
3
|
20
|
4-φ18
|
200
|
160
|
12
|
65
|
21/2
|
112
|
180
|
145
|
120
|
3
|
20
|
4-φ18
|
250
|
160
|
13
|
80
|
3
|
114
|
195
|
160
|
135
|
3
|
22
|
4-φ18
|
250
|
170
|
14
|
100
|
4
|
127
|
215
|
180
|
155
|
3
|
22
|
8-φ18
|
300
|
180
|
16
|
125
|
5
|
140
|
245
|
210
|
185
|
3
|
24
|
8-φ18
|
300
|
275
|
18
|
150
|
6
|
140
|
280
|
240
|
210
|
3
|
24
|
8-φ23
|
200
|
295
|
38
|
200
|
8
|
152
|
335
|
295
|
265
|
3
|
26
|
8-φ23
|
200
|
320
|
74
|
250
|
10
|
250
|
390
|
350
|
320
|
3
|
28
|
12-φ23
|
240
|
385
|
105
|
300
|
12
|
270
|
440
|
400
|
368
|
4
|
28
|
12-φ23
|
240
|
390
|
142
|
350
|
14
|
290
|
500
|
460
|
428
|
4
|
30
|
16-φ23
|
280
|
460
|
179
|
400
|
16
|
310
|
565
|
515
|
482
|
4
|
32
|
16-φ25
|
280
|
510
|
220
|
450
|
18
|
330
|
615
|
565
|
532
|
4
|
32
|
20-φ25
|
320
|
540
|
268
|
500
|
20
|
350
|
670
|
620
|
585
|
4
|
34
|
20-φ30
|
320
|
570
|
378
|
600
|
24
|
390
|
780
|
725
|
685
|
5
|
36
|
20-φ30
|
360
|
660
|
608
|
700
|
28
|
430
|
895
|
840
|
800
|
5
|
40
|
24-φ30
|
360
|
710
|
1050
|
800
|
32
|
470
|
1010
|
950
|
905
|
5
|
44
|
24-φ30
|
360
|
780
|
1320
|
900
|
36
|
510
|
1110
|
1050
|
1005
|
5
|
46
|
28-φ34
|
380
|
885
|
1795
|
1000
|
40
|
550
|
1220
|
1160
|
1115
|
5
|
50
|
28-φ34
|
400
|
990
|
1900
|
公称通径
|
标准值
|
参考值
|
|||||||||
DN (mm)
|
NPS (inch)
|
L
|
D
|
D1
|
D2
|
f
|
b
|
Z-φd
|
D0
|
H
|
W(kg)
|
PN1.6(MPa)
|
|||||||||||
40
|
11/2
|
106
|
145
|
110
|
85
|
3
|
18
|
4-φ18
|
160
|
140
|
10
|
50
|
2
|
108
|
160
|
125
|
100
|
3
|
20
|
4-φ18
|
200
|
160
|
12
|
65
|
21/2
|
112
|
180
|
145
|
120
|
3
|
20
|
4-φ18
|
250
|
160
|
13
|
80
|
3
|
114
|
195
|
160
|
135
|
3
|
22
|
8-φ18
|
260
|
170
|
14
|
100
|
4
|
127
|
215
|
180
|
155
|
3
|
24
|
8-φ18
|
300
|
180
|
16
|
125
|
5
|
140
|
245
|
210
|
185
|
3
|
26
|
8-φ18
|
300
|
275
|
18
|
150
|
6
|
140
|
280
|
240
|
210
|
3
|
28
|
8-φ23
|
200
|
295
|
42
|
200
|
8
|
152
|
335
|
295
|
265
|
3
|
30
|
12-φ23
|
200
|
320
|
78
|
250
|
10
|
250
|
405
|
355
|
320
|
3
|
32
|
12-φ25
|
240
|
385
|
120
|
300
|
12
|
270
|
460
|
410
|
375
|
4
|
34
|
12-φ25
|
240
|
390
|
145
|
350
|
14
|
290
|
520
|
470
|
435
|
4
|
38
|
16-φ25
|
240
|
460
|
202
|
400
|
16
|
310
|
580
|
525
|
485
|
4
|
40
|
16-φ30
|
280
|
510
|
235
|
450
|
18
|
330
|
640
|
585
|
545
|
4
|
44
|
20-φ30
|
280
|
540
|
368
|
500
|
20
|
350
|
705
|
650
|
608
|
4
|
46
|
20-φ34
|
320
|
570
|
420
|
600
|
24
|
390
|
755
|
770
|
718
|
5
|
54
|
24-φ41
|
320
|
660
|
750
|
700
|
28
|
430
|
840
|
840
|
788
|
5
|
54
|
24-φ41
|
360
|
710
|
1028
|
800
|
32
|
470
|
910
|
950
|
898
|
5
|
54
|
24-φ41
|
380
|
780
|
1690
|
900
|
36
|
510
|
1120
|
1050
|
998
|
5
|
54
|
28-φ41
|
400
|
885
|
1815
|
1000
|
40
|
550
|
1255
|
1170
|
1110
|
5
|
60
|
28-φ48
|
500
|
990
|
2050
|
提示:本文中所有文字、数据、图片均只适用于参考,需要了解更详细的【法兰式衬氟不锈钢蝶阀】参数、选型、价格等请联系我们,我们将竭诚为您服务!



















