当前位置:首页 >> 消防阀门
>> 消防闸阀 >> 消防信号闸阀 更新时间 2026-3-19 22:54:28
消防闸阀
| 消防信号闸阀 |
![]() |
产品名称: | 消防信号闸阀 | |||||
| 型号: | RVSX、XZ45X、XZ41X | ||||||
| 口径: | DN50-400 | ||||||
| 压力: | 1.0-1.6MPa | ||||||
| 材质: | 铸铁、球铁、铸钢 | ||||||
|
|||||||
| 您正在浏览:【消防信号闸阀】 | |||||||
消防信号闸阀详细介绍
消防信号闸阀产品用途:
消防信号闸阀用于自来水、污水、建筑、石油、化工、食品、医药、轻纺、电力、船舶、冶金、能源系统等体管线上作为调节和截流装置使用。
消防信号闸阀产品特点:
1、整体包胶:闸门采用整体包胶,其良好的覆盖性能与精确的几何尺寸,保证密封可靠性,寿命长。
2、重量轻:阀体采用球铁制成,重量轻、安装方便。
3、平底阀坐:地步采用与水管相同的平底式阀坐设计,不产生杂物淤积,密封更可靠。
4、耐腐蚀:内腔采用无毒环氧树脂涂装,防止腐蚀和生锈,不但可供生饮,而且可用于污水系统。
5、三“O”密封:阀杆采用三道O型环密封,磨擦阻力小,开关轻巧,不漏水。

消防信号闸阀性能参数:
公称压力:1.0~1.6MPa
公称通经:50~400mm
工作温度:0~80℃
阀门材质:铸铁、球铁、铸钢等
阀门材质:铸铁、球铁、铸钢等
适用介质:水、油、气等
法兰标准:GB/T 17241.6 GB9113
试验标准:GB13927 AP1598
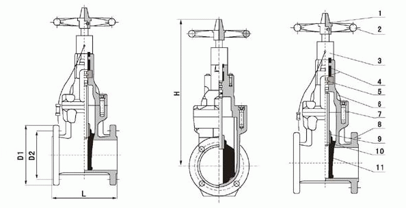
消防信号闸阀主要零件材料:
NO |
零件名称 |
材质 |
1 |
传动帽 |
球墨铸铁、铸钢 |
2 |
手轮 |
可锻铸铁 |
3 |
防尘罩 |
塑料 |
4 |
密封圈 |
丁腈橡胶、三元乙丙 |
5 |
止推轴承 |
锡青铜 |
6 |
阀盖 |
灰铸铁、球墨铸铁、铸钢 |
7 |
螺栓 |
碳钢、不锈钢 |
8 |
阀体 |
碳钢、球墨铸铁、铸钢 |
9 |
铜螺母 |
锡青铜 |
10 |
阀杆 |
不锈钢 |
11 |
阀瓣 |
球墨铸铁+三元乙丙或丁腈橡胶 |
消防信号闸阀外形结构图:

消防信号闸阀连接尺寸:

消防信号闸阀连接尺寸:
DN
|
50
|
65
|
80
|
100
|
125
|
150
|
200
|
250
|
300
|
350
|
400
|
L
|
178
|
190
|
203
|
229
|
254
|
267
|
292
|
330
|
356
|
381
|
406
|
H
|
370
|
408
|
452
|
510
|
566
|
630
|
765
|
927
|
1048
|
1110
|
1320
|
提示:本文中所有文字、数据、图片均只适用于参考,需要了解更详细的【消防信号闸阀】参数、选型、价格等请联系我们,我们将竭诚为您服务!



















