当前位置:首页 >> 球阀
>> 手动球阀 >> 保温手动球阀 更新时间 2026-3-19 23:04:56
手动球阀
| 保温手动球阀 |
![]() |
产品名称: | 保温手动球阀 | |||||
| 型号: | BQ41H/PPL | ||||||
| 口径: | DN15-200 | ||||||
| 压力: | 1.6-6.4MPa | ||||||
| 材质: | 碳钢、不锈钢等 | ||||||
|
|||||||
| 您正在浏览:【保温手动球阀】 | |||||||
保温手动球阀详细介绍
保温手动球阀产品概述:
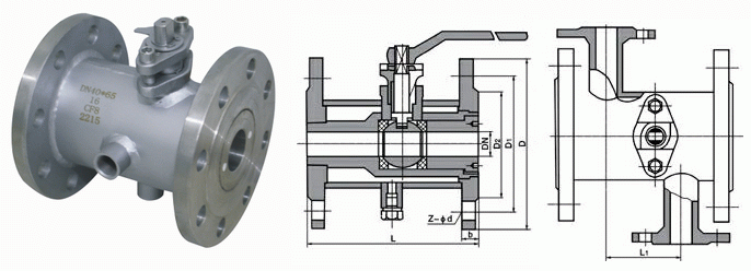
保温手动球阀是一种由阀体、阀座、阀芯及阀杆等组成的整体式保温球阀其阀体上装有环绕于该阀体外,且设有热源进口和热源出口的保温夹套。该阀门为一体式的结构设计,无中部法兰、左体和右体连接,减少了泄漏率。法兰采用变径加大法兰,增加了夹套内部的空间,使其有足够热源来防止介质结晶,保持流体流动性。本产品法兰螺盖的设计,连接采用螺纹紧配,加垫片密封,安装时再加上管道的法兰及垫片,可达到双重密封的效果。
保温手动球阀零件材料:

保温手动球阀技术规范:

保温手动球阀外形结构图:

保温手动球阀连接尺寸:


提示:本文中所有文字、数据、图片均只适用于参考,需要了解更详细的【保温手动球阀】参数、选型、价格等请联系我们,我们将竭诚为您服务!



















