当前位置:首页 >> 陶瓷阀门
>> 陶瓷浆液阀 >> 电液动陶瓷浆液阀 | 电液动陶瓷浆液阀 |
![]() |
产品名称: | 电液动陶瓷浆液阀 | |||||
| 型号: | PZ273TC | ||||||
| 口径: | DN50-600 | ||||||
| 压力: | 1.0-6.4MPa | ||||||
| 材质: | 铸钢、不锈钢 | ||||||
|
|||||||
| 您正在浏览:【电液动陶瓷浆液阀】 | |||||||
电液动陶瓷浆液阀详细介绍
电液动陶瓷浆液阀产品概述:
电液动陶瓷浆液阀应用规范:
设计与制造 |
GB/T 8691 |
|
连接端尺寸 |
结构长度 |
GB/T 15188.2 |
法兰尺寸 |
GB/T9113.1 |
|
检验与试验 |
GB/T 8691 |
|
材料 |
碳钢 |
GB/T 12229 |
不锈钢 |
GB/T 12230 |
|
标志 |
GB/T 12220 |
|
供货 |
GB/T 12252 |
|
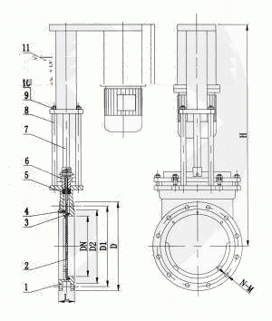
电液动陶瓷浆液阀零件材料:
序号 |
名称 |
材料 |
序号 |
名称 |
材料 |
1 |
阀座 |
结构陶瓷 |
7 |
连接架 |
WCB |
2 |
阀体 |
WCB |
8 |
支架 |
WCB |
3 |
阀板 |
不锈钢+结构陶瓷 |
9 |
螺母 |
25# |
4 |
填料 |
柔性石墨 |
10 |
连接盘 |
WCB |
5 |
填料压盖 |
WCB |
11 |
电液动装置 |
成品件 |
6 |
锁轴 |
2Cr13 |
12 |
|
|
电液动陶瓷浆液阀外形结构图:

电液动陶瓷浆液阀连接尺寸:
DN |
PN(Mpa) |
L |
D |
D1 |
D2 |
H |
N-M |
b |
50 |
1.0 |
43 |
165 |
125 |
100 |
680 |
4-M16 |
12 |
65 |
46 |
185 |
145 |
120 |
710 |
4-M16 |
12 |
|
80 |
46 |
200 |
160 |
135 |
750 |
8-M16 |
12 |
|
100 |
52 |
220 |
180 |
155 |
755 |
8-M16 |
12 |
|
125 |
56 |
250 |
210 |
185 |
790 |
8-M16 |
12 |
|
150 |
56 |
285 |
240 |
210 |
865 |
8-M20 |
14 |
|
200 |
60 |
340 |
295 |
265 |
940 |
12-M20 |
14 |
|
250 |
68 |
405 |
355 |
320 |
1030 |
12-M24 |
16 |
|
300 |
78 |
460 |
410 |
375 |
1180 |
12-M24 |
16 |
|
350 |
90 |
520 |
470 |
435 |
1285 |
16-M24 |
16 |
|
400 |
90 |
580 |
525 |
485 |
1390 |
16-M27 |
18 |
|
450 |
90 |
640 |
585 |
545 |
1450 |
20-M27 |
18 |
|
500 |
114 |
715 |
650 |
608 |
1520 |
20-M30 |
18 |
|
600 |
154 |
840 |
770 |
718 |
1590 |
20-M33 |
20 |



















