卫生级一端法兰一端螺纹蝶阀详细介绍
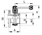
卫生级一端法兰一端螺纹蝶阀结构尺寸:
| 法兰式标准可根据客户要求. 其它标准螺纹(G)请参照其它款式蝶阀图 |

|
Size |
A |
OF |
G |
L |
H |
| DN25 |
80.0 |
115.0 |
RD52×1/8 |
126.0 |
80.0 |
| DN32 |
88.0 |
135.0 |
RD58×1/8 |
126.0 |
80.0 |
| DN40 |
92.0 |
145.0 |
RD65×1/8 |
126.0 |
86.0 |
| DN50 |
94.0 |
160.0 |
RD78×1/8 |
133.0 |
106.0 |
| DN55 |
104.0 |
160.0 |
RD95×1/8 |
144.0 |
115.0 |
| DN80 |
110.0 |
195.0 |
RD110×1/4 |
160.0 |
122.0 |
| DN100 |
130.0 |
215.0 |
RD130×1/4 |
160.0 |
132.0 |
| DN125 |
154.0 |
245.0 |
RD160×1/4 |
220.0 |
147.0 |
| DN150 |
174.0 |
280.0 |
RD190×1/4 |
220.0 |
162.0 |
提示:本文中所有文字、数据、图片均只适用于参考,需要了解更详细的【卫生级一端法兰一端螺纹蝶阀】参数、选型、价格等请联系我们,我们将竭诚为您服务!