当前位置:首页 >> 电动阀门
>> 电动蝶阀 >> 电动高真空蝶阀 更新时间 2026-3-19 23:00:34
电动蝶阀
| 电动高真空蝶阀 |
![]() |
产品名称: | 电动高真空蝶阀 | |||||
| 型号: | GID | ||||||
| 口径: | DN40-600 | ||||||
| 压力: | 0.6×106 ~1.3×10-4 | ||||||
| 材质: | 304、316、316L不锈钢 | ||||||
|
|||||||
| 您正在浏览:【电动高真空蝶阀】 | |||||||
电动高真空蝶阀详细介绍
电动高真空蝶阀产品概述:
电动高真空蝶阀采用回转型电动、电子调节式阀门驱动装置,可以通过外接电源的切换(用手动转位开关或电脑控制)或外部输入信号,来实现阀门开、关或中间位置的控制,用于接通或切断真空管路中的气流。和其他相同口径真空阀门相比,具有结构简单,通导能力大,阀体厚度小,启闭速度快等优点。适用的工作介质为空气和非腐蚀性气体。
电动高真空蝶阀技术性能:
-25~+80(密封材料为丁腈橡胶)
-30~+150(密封材料为氟橡胶) |
|
智能型
|

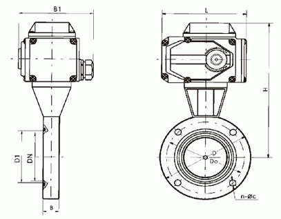
电动高真空蝶阀连接尺寸:
提示:本文中所有文字、数据、图片均只适用于参考,需要了解更详细的【电动高真空蝶阀】参数、选型、价格等请联系我们,我们将竭诚为您服务!



















