当前位置:首页 >> 过滤器
>> 焊接过滤器 >> 承插焊Y型过滤器 更新时间 2026-1-14 16:05:30
焊接过滤器
| 承插焊Y型过滤器 |
![]() |
产品名称: | 承插焊Y型过滤器 | |||||
| 型号: | SRY-I、II、III | ||||||
| 口径: | DN15-400 | ||||||
| 压力: | 1.6-6.4MPa | ||||||
| 材质: | 铸钢、不锈钢等 | ||||||
|
|||||||
| 您正在浏览:【承插焊Y型过滤器】 | |||||||
承插焊Y型过滤器详细介绍
承插焊Y型过滤器产品概述:
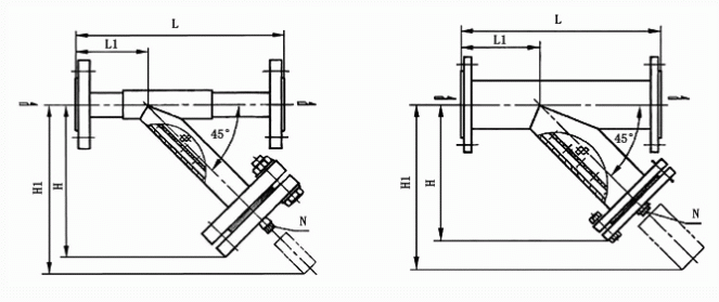
承插焊Y型过滤器主要由主管、斜管、法兰和法兰盖、紧固件及过滤网、排污丝堵等零部件组成,其制造要求、试验方法及检验规则等都是按《管道用三通过滤器》GB/T 14382-2008标准执行,该Y型过滤器是用无缝钢管由主管和斜管按45度角通过焊接工艺焊制而成的,它通过对焊、承插焊、螺纹、法兰等方式与管道连接,斜管内置有相应过滤面积和过滤精度的过滤网,本过滤器过滤网一般采用不锈钢滤筒和丝网双层结构,以30目/英寸作为标准网,可拦截≥614μm粒径的固体颗粒,也可根据客户工况要求定做过滤网。
承插焊Y型过滤器主要由主管、斜管、法兰和法兰盖、紧固件及过滤网、排污丝堵等零部件组成,其制造要求、试验方法及检验规则等都是按《管道用三通过滤器》GB/T 14382-2008标准执行,该Y型过滤器是用无缝钢管由主管和斜管按45度角通过焊接工艺焊制而成的,它通过对焊、承插焊、螺纹、法兰等方式与管道连接,斜管内置有相应过滤面积和过滤精度的过滤网,本过滤器过滤网一般采用不锈钢滤筒和丝网双层结构,以30目/英寸作为标准网,可拦截≥614μm粒径的固体颗粒,也可根据客户工况要求定做过滤网。
承插焊Y型过滤器产品用途:
承插焊Y型过滤器是我厂按《SH/T 3411-1999石油化工泵用过滤器选用、检验与验收》标准设计制造,是过滤石油化工生产过程中液体或气体所含的固体颗粒,从而保证泵正常运行,保护设备所必备的过滤设备。本产品一般安装在石油化工、煤化工企业新建、改建、扩建工程中泵入口处,滤网把杂质阻截下来,保持后面介质的洁净度,使系统安全通畅运行。
承插焊Y型过滤器性能规范表:

承插焊Y型过滤器零件材料表:

承插焊Y型过滤器外形结构图:

承插焊Y型过滤器外形尺寸表:

提示:本文中所有文字、数据、图片均只适用于参考,需要了解更详细的【承插焊Y型过滤器】参数、选型、价格等请联系我们,我们将竭诚为您服务!



















