当前位置:首页 >> 过滤器
>> 篮式过滤器 >> 保温夹套篮式过滤器 更新时间 2026-3-19 23:07:28
篮式过滤器
| 保温夹套篮式过滤器 |
![]() |
产品名称: | 保温夹套篮式过滤器 | |||||
| 型号: | BSR41H | ||||||
| 口径: | DN15-300 | ||||||
| 压力: | 1.0-6.4MPa | ||||||
| 材质: | 铸钢、不锈钢等 | ||||||
|
|||||||
| 您正在浏览:【保温夹套篮式过滤器】 | |||||||
保温夹套篮式过滤器详细介绍
保温夹套篮式过滤器产品概述:
保温夹套篮式过滤器性能优点:
保温夹套篮式过滤器采用整体式保温夹套设计,筒体为双层结构,中间层可以通导热油或蒸汽,能更均匀地保温、保冷,以使过滤更加容易进行,其夹套层选用碳素钢或不锈钢管焊接,比铸造的更加耐压牢固,夹套、壳体外侧与夹套接管焊接,具有良好的保温保冷特性,同时又能有效降低管路中介质热量损失,通常用于过滤常温下会凝固的高粘度介质,如:胶水、粘胶剂、树脂、油墨、油漆、沥青等。
保温夹套篮式过滤器是我厂为满足一些流体过滤时需对其保温才能获得良好的输送性能,或根据用户工况的需要,克服介质因温度下降易结晶、凝固,而设计制造的一款产品。其在普通篮式过滤器的基础上焊装保温夹套,用于注入蒸汽或导热油,以保持或提升流体的温度,防止物料凝固,提高粘性液体的过滤速度,或满足下一道工序对温度的要求。本产品特别适合于一些低温环境下或者粘度高的介质的过滤,被广泛应用于石油、化工、沥青、冶金、制药、食品等各类系统中。
保温夹套篮式过滤器性能优点:
保温夹套篮式过滤器采用整体式保温夹套设计,筒体为双层结构,中间层可以通导热油或蒸汽,能更均匀地保温、保冷,以使过滤更加容易进行,其夹套层选用碳素钢或不锈钢管焊接,比铸造的更加耐压牢固,夹套、壳体外侧与夹套接管焊接,具有良好的保温保冷特性,同时又能有效降低管路中介质热量损失,通常用于过滤常温下会凝固的高粘度介质,如:胶水、粘胶剂、树脂、油墨、油漆、沥青等。
保温夹套篮式过滤器技术规范:

保温夹套篮式过滤器零件材料:

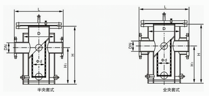
保温夹套篮式过滤器外形结构图:

保温夹套篮式过滤器外形尺寸表:


保温夹套篮式过滤器零件材料:

保温夹套篮式过滤器外形结构图:

保温夹套篮式过滤器外形尺寸表:

提示:本文中所有文字、数据、图片均只适用于参考,需要了解更详细的【保温夹套篮式过滤器】参数、选型、价格等请联系我们,我们将竭诚为您服务!



















