当前位置:首页 >> 球阀
>> 气动球阀 >> 气动带手动V型球阀 更新时间 2026-3-19 23:10:43
气动球阀
| 气动带手动V型球阀 |
![]() |
产品名称: | 气动带手动V型球阀 | |||||
| 型号: | SVQ647F/H/Y | ||||||
| 口径: | DN25-500 | ||||||
| 压力: | 1.0-6.4MPa | ||||||
| 材质: | 碳钢、不锈钢等 | ||||||
|
|||||||
| 您正在浏览:【气动带手动V型球阀】 | |||||||
气动带手动V型球阀详细介绍
气动带手动V型球阀产品概述:
气动带手动V型球阀,是一种旋转型调节球阀,为气动单元组合仪表中的执行单元,一般与电气阀门定位器或气动阀门定位器组合使用。调节性能是球阀中最佳的,流量特性是等百分比的,可调比达100:1,阀芯开有V型切口,与阀座相对转动产生剪切力,防止卡死。特别适用于泥浆和含有纤维介质,以及含有微小固体悬浮物介质的调节。因而广泛应用于石油、化工、制药、冶金、轻纺、造纸、污水处理等生产部门的气体、蒸汽、液体输送管道中介质流量调节,以达到生产过程按控制要求。
气动带手动V型球阀产品特点:
1、不带任何管接头的整体式阀体,因此不受管道或螺栓应力影响,并且由于阀体无任何管接头,故耐压壳体不会受压力“突变”的影响;
2、具有一个V型阀体,即使在小流量或高粘度介质的情况下,也可在整个量程范围内,保证控制的精确性;
2、具有一个V型阀体,即使在小流量或高粘度介质的情况下,也可在整个量程范围内,保证控制的精确性;
3、防漏耐用的阀座在其外径处衬有带不锈钢内芯PTFE杯形或是O型密封圈,阀座用截面较大的钨钴硬质合金制成,通过一个合金的波纹弹簧进一步增强了阀座的结构;
4、当V型球阀关闭时,V型缺口与阀座之间产生楔形剪切作用,并既具有自洁功能又可防止球芯卡死,V型球阀特别适用于管线结垢冻结或含有纤维和颗粒固体场合。
气动带手动V型球阀技术规范:

气动带手动V型球阀零件材料:

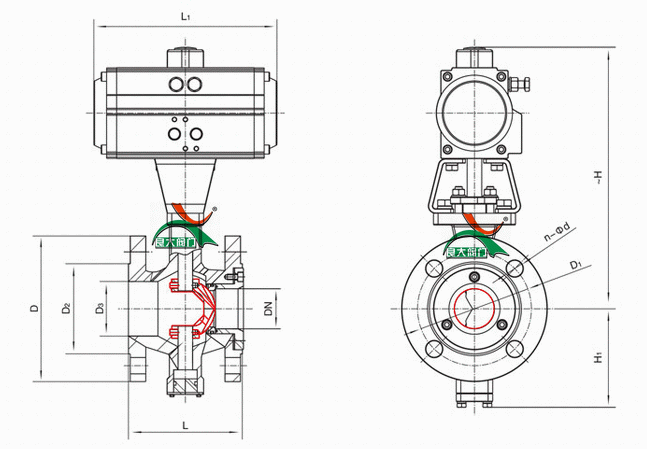
气动带手动V型球阀外形结构图:

气动带手动V型球阀外形尺寸表:


气动带手动V型球阀零件材料:

气动带手动V型球阀外形结构图:

气动带手动V型球阀外形尺寸表:

提示:本文中所有文字、数据、图片均只适用于参考,需要了解更详细的【气动带手动V型球阀】参数、选型、价格等请联系我们,我们将竭诚为您服务!



















