当前位置:首页 >> 球阀
>> Y型球阀 >> 电动Y型三通球阀 更新时间 2025-12-4 21:25:49
Y型球阀
| 电动Y型三通球阀 |
![]() |
产品名称: | 电动Y型三通球阀 | |||||
| 型号: | Q942F/H/Y | ||||||
| 口径: | DN50-400 | ||||||
| 压力: | 1.0-6.4MPa | ||||||
| 材质: | 铸钢、不锈钢等 | ||||||
|
|||||||
| 您正在浏览:【电动Y型三通球阀】 | |||||||
电动Y型三通球阀详细介绍
电动Y型三通球阀产品概述:
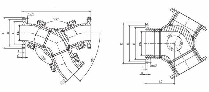
电动Y型三通球阀主要由Y型三通球阀和电动执行机构及附件组成,其三通阀体中设有Y形流体通道以及放置有开启或关闭流体通道的带柄球体,电动执行器与阀杆顶部固定连接,并驱动阀杆带动球体在阀体内转动120°或135°,实现介质流向切换与自动控制的功能。本产品电动执行器可选用Z型多回转系列、Q型部分回转系列等。
电动Y型三通球阀的两通孔之间被设计成120°或135°的夹角,其主要通过球体在120°或135°之间的旋转改变介质流向,所以它除了进口A、出口B,还有换向口C,普通阀门是不具备改变介质流向功能。其工作过程:阀门打开介质从A进入阀门,经B流出阀门,当旁路需要介质流入时,接通电源,电装驱动阀杆旋转120°或135°,球体换向,介质从A进C出,当旁路不需要介质流入时,电动执行机构再转回120°或135°,介质流向改变。

电动Y型三通球阀零件材料:

电动Y型三通球阀外形结构图:

电动Y型三通球阀外形尺寸表:

电动Y型三通球阀订货参数:
尊敬的客户!如果您需要订购我公司电动Y型三通球阀产品,咨询时请提供结构型式(120°或135°)、公称通径、公称压力、阀体和内件材料、使用介质、工作温度、法兰标准和法兰密封面形式等,本产品根据不同的工况需求可选用软密封和金属硬密封等。
提示:本文中所有文字、数据、图片均只适用于参考,需要了解更详细的【电动Y型三通球阀】参数、选型、价格等请联系我们,我们将竭诚为您服务!



















