当前位置:首页 >> 真空阀门
>> 真空挡板阀 >> 高真空气动挡板阀 更新时间 2025-11-4 13:13:22
真空挡板阀
| 高真空气动挡板阀 |
![]() |
产品名称: | 高真空气动挡板阀 | |||||
| 型号: | GDQ-J/KF | ||||||
| 口径: | DN10-50 | ||||||
| 压力: | 0.6×106 ~1.3×10-4 | ||||||
| 材质: | 304、316、316L不锈钢 | ||||||
|
|||||||
| 您正在浏览:【高真空气动挡板阀】 | |||||||
高真空气动挡板阀详细介绍
高真空气动挡板阀产品概述:
高真空气动挡板阀采用氟橡胶轴封密封,是用于真空系统中开启或切断气流的真空阀门。阀门以压缩空气为动力。通过气缸执行,电磁换向阀改变气路方向带动阀杠上下运动,达到阀板开启或关闭的目的。本阀门性能可靠、寿命长等优点,阀门具有常开和常闭功能,可选配磁性开关信号控制和防爆电磁阀装置。适用的工作介质为空气及非腐蚀性气体。
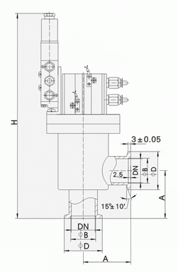
高真空气动挡板阀外形结构图:

高真空气动挡板阀技术性能及连接尺寸:

提示:本文中所有文字、数据、图片均只适用于参考,需要了解更详细的【高真空气动挡板阀】参数、选型、价格等请联系我们,我们将竭诚为您服务!



















