当前位置:首页 >> 真空阀门
>> 真空蝶阀 >> GIQ-A型气动高真空蝶阀 更新时间 2026-1-14 15:59:46
真空蝶阀
| GIQ-A型气动高真空蝶阀 |
![]() |
产品名称: | GIQ-A型气动高真空蝶阀 | |||||
| 型号: | GIQ-A | ||||||
| 口径: | DN50-800 | ||||||
| 压力: | 0.6×106 ~1.3×10-4 | ||||||
| 材质: | 304、316、316L不锈钢 | ||||||
|
|||||||
| 您正在浏览:【GIQ-A型气动高真空蝶阀】 | |||||||
GIQ-A型气动高真空蝶阀详细介绍
GIQ-A型气动高真空蝶阀产品概述:
GIQ-A型系列气动高真空蝶阀适用于高真空系统中用来接通或截止气流之用。该阀以压缩空气为动力,通过电磁换向阀改变气路方向,执行气缸推动,使固定在转动轴上的阀板旋转90°实现阀门的开启和关闭。适用的工作介质为空气和非腐蚀性气体。气动执行器控制的气动蝶阀,分为双作用和单作用(弹簧复位)气缸。可选配信号反馈控制,防爆电气装置及气源处理元件。
GIQ-A型气动高真空蝶阀技术性能:
-25~+80(密封材料为丁腈橡胶) |
|

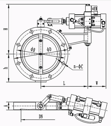
GIQ-A型气动高真空蝶阀连接尺寸:
提示:本文中所有文字、数据、图片均只适用于参考,需要了解更详细的【GIQ-A型气动高真空蝶阀】参数、选型、价格等请联系我们,我们将竭诚为您服务!



















