当前位置:首页 >> 真空阀门
>> 真空蝶阀 >> GID型电动高真空蝶阀 更新时间 2025-12-4 21:18:03
真空蝶阀
| GID型电动高真空蝶阀 |
![]() |
产品名称: | GID型电动高真空蝶阀 | |||||
| 型号: | GID | ||||||
| 口径: | DN25-400 | ||||||
| 压力: | 0.6×106 ~1.3×10-4 | ||||||
| 材质: | 304、316、316L不锈钢 | ||||||
|
|||||||
| 您正在浏览:【GID型电动高真空蝶阀】 | |||||||
GID型电动高真空蝶阀详细介绍
GID型电动高真空蝶阀产品概述:
GID型系列电动高真空蝶阀采用回转型电动、电子调节式阀门驱动装置,可以通过外接电源的切换(用手动转位开关或电脑控制)或外部输入信号,来实现阀门开、关或中间位置的控制,从而达到接通或切断真空管路中气流的目的。适用的工作介质为空气和非腐蚀性气体。
GID型电动高真空蝶阀技术性能:
-25~+80(密封材料为丁腈橡胶) |
|
标准出厂:AC220V/50Hz开关型 |
|
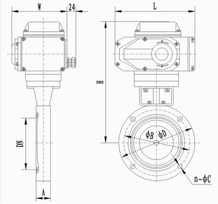
GID型电动高真空蝶阀外形结构图:

GID型电动高真空蝶阀连接尺寸:
35 |
||||||||
255 |
158 |
|||||||
提示:本文中所有文字、数据、图片均只适用于参考,需要了解更详细的【GID型电动高真空蝶阀】参数、选型、价格等请联系我们,我们将竭诚为您服务!



















