当前位置:首页 >> 卫生级阀门
>> 不锈钢卫生级阀门 >> 卫生级取样阀 更新时间 2026-3-19 22:55:41
不锈钢卫生级阀门
| 卫生级取样阀 |
![]() |
产品名称: | 卫生级取样阀 | |||||
| 型号: | WCYF | ||||||
| 口径: | DN15-25 | ||||||
| 压力: | 1.6-6.4MPa | ||||||
| 材质: | 不锈钢 | ||||||
|
|||||||
| 您正在浏览:【卫生级取样阀】 | |||||||
卫生级取样阀详细介绍
卫生级取样阀结构尺寸:
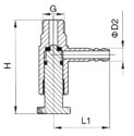
| 螺纹式采样阀 | |||||
![]() |
Size | H | D2 | G | L1 |
| 1/2" | 89 | 12 | 1/2 | 52 | |
| 焊接式采样阀 | |||||
![]() |
Size | H | D2 | D | L1 |
| 1/2" | 89 | 12 | 25.4 | 52 | |
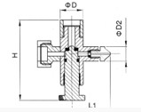
| 卡箍式采样阀 | |||||
![]() |
Size | H | D2 | B | L |
| 1/2" | 89 | 12 | 50.5 | 52 | |
| 液位计采样阀 | |||||
![]() |
Size | H | D2 | B | L |
| 1" | 110.0 | 22.0 | 27.2 | 51.0 | |
提示:本文中所有文字、数据、图片均只适用于参考,需要了解更详细的【卫生级取样阀】参数、选型、价格等请联系我们,我们将竭诚为您服务!























