当前位置:首页 >> 陶瓷阀门
>> 陶瓷出料阀 >> 气动陶瓷耐磨出料阀 更新时间 2026-1-14 16:00:56
陶瓷出料阀
| 气动陶瓷耐磨出料阀 |
![]() |
产品名称: | 气动陶瓷耐磨出料阀 | |||||
| 型号: | Z674TC | ||||||
| 口径: | DN40-300 | ||||||
| 压力: | 1.0-6.4MPa | ||||||
| 材质: | 铸钢、不锈钢 | ||||||
|
|||||||
| 您正在浏览:【气动陶瓷耐磨出料阀】 | |||||||
气动陶瓷耐磨出料阀详细介绍
气动陶瓷耐磨出料阀产品概述:
气动陶瓷耐磨出料阀专为气力除灰系统设计,具有启闭动作可靠、启动负荷小;本阀料口全流通无阻挡物有吹堵装置,不容易积灰。耐磨性强、阻力小、卡灰及结灰现象少;安装检修方便、使用寿命长、密封性能好等特点。 独特的设计理念在于阀门动作时阀板对阀座密封面产生自研磨,抛光作用,使它在恶劣工况的使用过程中能不断提高耐磨性和密封性。气动陶瓷耐磨出料阀采用结构陶瓷做密封件,耐冲刷、耐磨性好。撑开式双闸板密封结构,阀门关闭时双向密封;根据不同工况可设置吹扫口、灰渣漏斗,适用于干灰系统、渣浆等介质的输送系统中;积灰少,无卡涩,维护简单,使用寿命长。气动执行器采用全封闭推杆式直缸驱动,性能可靠,输出扭距大,可满足在恶劣工况条件下工作。也可适用于矿山、造纸、化工等各类有磨损的干粉尘、水、蒸汽等介质。
气动陶瓷耐磨出料阀性能特点:
1、具有自动清洁功能,开放式的大体腔结构可以保证闸板自由升降运动并防止体腔内积料,同时也避免损伤阀门密封面。阀门开启时,闸板会绕自身轴线旋转,能自动清洁阀门密封面内的杂物,因此具有自动清洁功能。
2、阀门密封面不易受损,已经证实,绕自身轴线旋转的闸板在高磨损和高冲刷工况中具有出色的表现,两个阀板间有弹簧负载,保证阀门可以双向密封。闸板的尖锐的棱角可以有效刮除密封面上的杂质。
气动陶瓷耐磨出料阀应用规范:
设计与制造 |
GB/T 12224 |
|
连接端尺寸 |
结构长度 |
厂商标准 |
法兰尺寸 |
JB/T 79.1 |
|
检验与试验 |
GB/T 9092 |
|
材料 |
碳钢 |
GB/T 12229 |
不锈钢 |
GB/T 12230 |
|
标志 |
GB/T 12220 |
|
供货 |
GB/T 12252 |
|
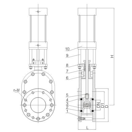
气动陶瓷耐磨出料阀零件材料:
序号 |
名称 |
材料 |
序号 |
名称 |
材料 |
1 |
阀体 |
WCB |
6 |
中阀体 |
WCB |
2 |
阀座 |
结构陶瓷 |
7 |
填料 |
柔性石墨 |
3 |
阀板 |
WCB+结构陶瓷 |
8 |
填料压盖 |
WCB |
4 |
阀板座 |
WCB |
9 |
支柱 |
25# |
5 |
螺母 |
25# |
10 |
气动装置 |
成品件 |
气动陶瓷耐磨出料阀外形结构图:

气动陶瓷耐磨出料阀连接尺寸:
DN |
PN(Mpa) |
L |
D |
D1 |
C |
H |
n-d |
40 |
1.0 |
120 |
150 |
110 |
16 |
450 |
4-m16 |
50 |
120 |
165 |
125 |
16 |
510 |
4-m16 |
|
65 |
120 |
180 |
145 |
18 |
580 |
4-m16 |
|
80 |
120 |
195 |
160 |
20 |
610 |
8-m16 |
|
100 |
120 |
215 |
180 |
20 |
670 |
8-m16 |
|
125 |
160 |
250 |
210 |
22 |
780 |
8-m16 |
|
150 |
160 |
285 |
240 |
24 |
850 |
8-m20 |
|
175 |
160 |
315 |
270 |
26 |
950 |
8-m20 |
|
200 |
160 |
340 |
295 |
26 |
1050 |
8-m20 |
|
225 |
160 |
370 |
325 |
30 |
1100 |
8-m20 |
|
250 |
200 |
395 |
350 |
30 |
1190 |
12-m20 |
|
300 |
200 |
450 |
400 |
30 |
1350 |
12-m20 |
提示:本文中所有文字、数据、图片均只适用于参考,需要了解更详细的【气动陶瓷耐磨出料阀】参数、选型、价格等请联系我们,我们将竭诚为您服务!



















