当前位置:首页 >> 陶瓷阀门
>> 陶瓷闸板阀 >> 陶瓷平行双闸板阀 更新时间 2026-1-14 16:00:57
陶瓷闸板阀
| 陶瓷平行双闸板阀 |
![]() |
产品名称: | 陶瓷平行双闸板阀 | |||||
| 型号: | Z674TC | ||||||
| 口径: | DN40-300 | ||||||
| 压力: | 0.6-6.4MPa | ||||||
| 材质: | 铸钢、不锈钢 | ||||||
|
|||||||
| 您正在浏览:【陶瓷平行双闸板阀】 | |||||||
陶瓷平行双闸板阀详细介绍
陶瓷平行双闸板阀产品概述:
陶瓷平行双闸板阀或陶瓷干灰阀,其启闭件(陶瓷闸板)由阀杆带动作升降运动,陶瓷双闸板阀由气缸或手轮驱动,阀杆带动阀板上下移动实现阀门的启闭,阀门启闭过程中依靠双闸板之间内置弹簧的预紧力使陶瓷闸板和陶瓷阀座达到可靠的密封比压从而实现密封。在开启排卸物料时,会产生涡流,形成的物料涡流会自行清扫阀门内腔,从而有效避免阀门内部积料,卡堵等情况的发生。
陶瓷平行双闸板阀结构特点:
1、闸板、阀座均采用高性能增韧工程陶瓷制造,具有出色的耐冲刷、耐磨损性能;
2、闸板之间内置有弹簧,以弹簧双向柔性预紧压力来实现自紧式密封,具有低压双向密封,启闭过程无卡涩及积灰现象;
3、阀门启闭过程中,陶瓷闸板自旋转与陶瓷阀座均匀研磨,从而极大的降低磨损并提高产品的使用寿命;
4、阀体对通道采用偏心设计,在阀板开启排泄物料时会产生物料涡流,物料涡流会清扫阀体内腔的卡塞物料,阀体上设置有吹扫口,以便于在检修阀门时通过外接气源来辅助清除阀门内的积灰。
陶瓷平行双闸板阀应用规范:
设计规范:JB/T12224
结构长度:根据客户要求或制造厂标准
连接标准:GB/T 9113/JB 79.1/HG 20592
压力试验:JB/T 9092
产品标识:GB/T 12220
供货规范:JB/T 12252
陶瓷平行双闸板阀零件材料:
主体:碳钢(WCB)、不锈钢(CF8、CF8M、CF3、CF3M)等
闸板:不锈钢
阀杆:不锈钢
填料:橡胶/聚四氟乙烯/编织石墨
公称通径:DN50-DN600(2"-24")
公称压力:PN6-PN64
适用温度:-29~+425℃
操作方式:手轮、伞齿轮、气动、电动、液动、电液(可选)
适用介质:煤灰、煤粉、矿渣、氧化铝粉、水泥等高冲刷高磨损性介质
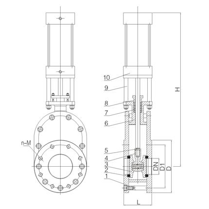
陶瓷平行双闸板阀外形结构图:

陶瓷平行双闸板阀连接尺寸:
DN |
PN(Mpa) |
L |
D |
D1 |
C |
H |
n-d |
40 |
1.0 |
120 |
150 |
110 |
16 |
450 |
4-m16 |
50 |
120 |
165 |
125 |
16 |
510 |
4-m16 |
|
65 |
120 |
180 |
145 |
18 |
580 |
4-m16 |
|
80 |
120 |
195 |
160 |
20 |
610 |
8-m16 |
|
100 |
120 |
215 |
180 |
20 |
670 |
8-m16 |
|
125 |
160 |
250 |
210 |
22 |
780 |
8-m16 |
|
150 |
160 |
285 |
240 |
24 |
850 |
8-m20 |
|
175 |
160 |
315 |
270 |
26 |
950 |
8-m20 |
|
200 |
160 |
340 |
295 |
26 |
1050 |
8-m20 |
|
225 |
160 |
370 |
325 |
30 |
1100 |
8-m20 |
|
250 |
200 |
395 |
350 |
30 |
1190 |
12-m20 |
|
300 |
200 |
450 |
400 |
30 |
1350 |
12-m20 |
提示:本文中所有文字、数据、图片均只适用于参考,需要了解更详细的【陶瓷平行双闸板阀】参数、选型、价格等请联系我们,我们将竭诚为您服务!



















