CCD型电动超高真空插板阀详细介绍
CCD型电动超高真空插板阀产品概述:
CCD型电动超高真空插板阀是通过电动装置驱动阀杆带动阀板作上下运动,达到阀门的开启或关闭。电动超高真空插板阀用于接通或切断真空管路中的气流。适用介质为纯净空气和非腐蚀性气体。带反馈信号装置。
CCD型电动超高真空插板阀技术性能:
| 适用范围 |
105~1.3×10-7Pa |
| 阀门漏率 |
≤1.3×10-7Pa.L/S.(DN≤200) ≤6.7×10-7Pa.L/S.(DN≥250) |
| 适用温度 |
- 30~+150℃ |
| 阀门开启时阀板两侧的压差 |
≤2.7×103Pa |
| 电源 |
220V/50Hz |
CCQ型气动超高真空插板阀零件材料:
| 阀体、阀板 |
不锈钢 |
| 密封件 |
氟橡胶、波纹管(轴封)、丁腈橡胶 |
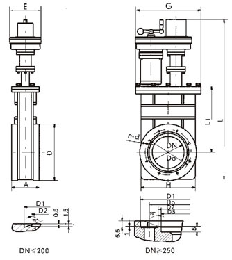
CCD型电动超高真空插板阀外形结构图:

CCD型电动超高真空插板阀连接尺寸:
| 型号 |
DN |
A |
H |
D |
Do |
D1 |
D2 |
D3 |
L |
L1 |
G |
E |
n-d |
法兰标准 |
| CCD-50 |
50 |
60 |
92 |
89 |
72.4 |
61.6 |
55.6 |
|
515 |
153 |
220 |
124 |
8-M8 |
GB6071 |
| CCD-63 |
63 |
65 |
105 |
114 |
92.1 |
82.6 |
76.6 |
|
566 |
180 |
220 |
124 |
8-M8 |
| CCD-80 |
80 |
65 |
130 |
130 |
110 |
99 |
93 |
|
603 |
200 |
220 |
124 |
16-M8 |
| CCD-100 |
100 |
70 |
152 |
152 |
130.2 |
120.7 |
114.7 |
|
653 |
267 |
220 |
124 |
16-M8 |
| CCD-150 |
150 |
70 |
202 |
202 |
181 |
171.5 |
165.5 |
|
771 |
350 |
270 |
150 |
20-M8 |
| CCD-200 |
200 |
80 |
251 |
253 |
231.8 |
222.3 |
216.6 |
|
889 |
424 |
270 |
150 |
24-M8 |
| CCD-250 |
250 |
85 |
300 |
314 |
288 |
308 |
275 |
271 |
1127 |
574 |
350 |
200 |
24-M10 |
JB5278 |
| CCD-300 |
300 |
85 |
352 |
365 |
338 |
353 |
323 |
318 |
1197 |
613 |
400 |
200 |
32-M10 |
|
| CCD-320 |
320 |
85 |
372 |
385 |
357 |
379 |
344 |
340 |
1220 |
613 |
440 |
200 |
36-M10 |
JB5278 |
| CCD-400 |
400 |
110 |
456 |
497 |
454 |
480 |
440 |
436 |
1480 |
810 |
536 |
200 |
36-M12 |
| CCD-500 |
500 |
135 |
595 |
590 |
555 |
580 |
540 |
536 |
1580 |
870 |
640 |
220 |
40-M12 |
| CCD-630 |
630 |
135 |
690 |
700 |
658 |
680 |
639 |
635 |
1730 |
960 |
780 |
220 |
40-M16 |
| CCD-800 |
800 |
150 |
880 |
890 |
855 |
880 |
835 |
831 |
1960 |
1100 |
950 |
220 |
60-M16 |
提示:本文中所有文字、数据、图片均只适用于参考,需要了解更详细的【CCD型电动超高真空插板阀】参数、选型、价格等请联系我们,我们将竭诚为您服务!