当前位置:首页 >> 真空阀门
>> 真空挡板阀 >> GD-J(b)型手动高真空挡板阀 更新时间 2026-3-19 23:00:57
真空挡板阀
| GD-J(b)型手动高真空挡板阀 |
![]() |
产品名称: | GD-J(b)型手动高真空挡板阀 | |||||
| 型号: | GD-J(b) | ||||||
| 口径: | DN10-50 | ||||||
| 压力: | 0.6×106 ~1.3×10-4 | ||||||
| 材质: | 铸钢、不锈钢 | ||||||
|
|||||||
| 您正在浏览:【GD-J(b)型手动高真空挡板阀】 | |||||||
GD-J(b)型手动高真空挡板阀详细介绍
GD-J(b)型手动高真空挡板阀产品概述:
GD-J(b)型系列手动高真空挡板阀(又称角阀)是真空系统中的重要元件之一,该阀传动部件采用螺纹结构,依靠人手旋转手轮、启闭阀板。适用介质为空气及非腐蚀性气体。
GD-J(b)型手动高真空挡板阀技术性能:
-25~+40 |
|

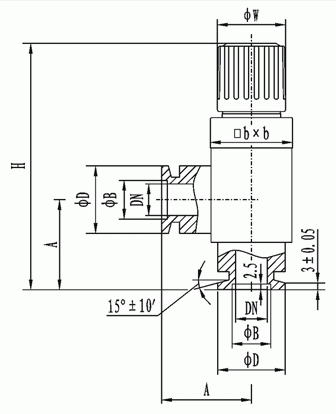
GD-J(b)型手动高真空挡板阀连接尺寸:
提示:本文中所有文字、数据、图片均只适用于参考,需要了解更详细的【GD-J(b)型手动高真空挡板阀】参数、选型、价格等请联系我们,我们将竭诚为您服务!



















