当前位置:首页 >> 真空阀门
>> 电磁真空充气阀 >> DDC-JQ-B电磁真空带充气阀 更新时间 2026-1-14 15:59:58
电磁真空充气阀
| DDC-JQ-B电磁真空带充气阀 |
![]() |
产品名称: | DDC-JQ-B电磁真空带充气阀 | |||||
| 型号: | DDC-JQ-B | ||||||
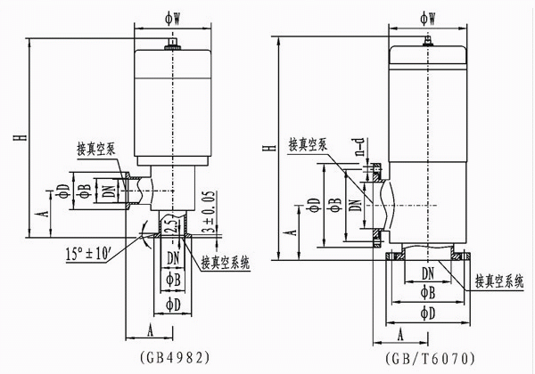
| 口径: | DN16-100 | ||||||
| 压力: | 0.6×106 ~1.3×10-4 | ||||||
| 材质: | 304、316、316L不锈钢 | ||||||
|
|||||||
| 您正在浏览:【DDC-JQ-B电磁真空带充气阀】 | |||||||
DDC-JQ-B电磁真空带充气阀详细介绍
DDC-JQ-B电磁真空带充气阀产品概述:
DDC-JQ-B型系列电磁真空带充气阀是安装在机械式真空泵上的专用阀门。阀门与泵接在同一电源上,泵的开启与停止直接控制了阀的开启与关闭。当泵停止工作或电源中断时,阀能自动将真空系统封闭,并将阀的充气孔打开,大气快速充入到泵腔,从而避免泵油逆流污染真空系统。适用的工作介质为空气及非腐蚀性气体。
DDC-JQ-B电磁真空带充气阀技术性能:

DDC-JQ-B电磁真空带充气阀连接尺寸:
提示:本文中所有文字、数据、图片均只适用于参考,需要了解更详细的【DDC-JQ-B电磁真空带充气阀】参数、选型、价格等请联系我们,我们将竭诚为您服务!



















