当前位置:首页 >> 真空阀门
>> 真空电磁阀 >> 高真空电磁压差式充气阀 更新时间 2026-3-19 23:00:46
真空电磁阀
| 高真空电磁压差式充气阀 |
![]() |
产品名称: | 高真空电磁压差式充气阀 | |||||
| 型号: | GYC-JQ | ||||||
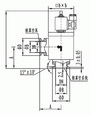
| 口径: | DN16-40 | ||||||
| 压力: | 0.6×106 ~1.3×10-4 | ||||||
| 材质: | 铸钢、不锈钢 | ||||||
|
|||||||
| 您正在浏览:【高真空电磁压差式充气阀】 | |||||||
高真空电磁压差式充气阀详细介绍
高真空电磁压差式充气阀产品概述:
高真空电磁压差式充气阀,是安装在机械真空泵上的专用阀门。安装于机械真空泵的进气口,并与泵同步开启和关闭。当泵停止工作或电源突然中断时,阀门能依靠大气与真空的压差力使阀板自动关闭,将真空系统封闭,保持其真空度,并将大气通过阀的节流孔充入泵腔内,从而避免泵油逆流污染真空系统。适用的工作介质为空气及非腐蚀性气体。
高真空电磁压差式充气阀技术性能:

高真空电磁压差式充气阀连接尺寸:
提示:本文中所有文字、数据、图片均只适用于参考,需要了解更详细的【高真空电磁压差式充气阀】参数、选型、价格等请联系我们,我们将竭诚为您服务!



















