当前位置:首页 >> 球阀
>> 气动球阀 >> 气动带手动Y型三通球阀 更新时间 2026-3-19 23:09:03
气动球阀
| 气动带手动Y型三通球阀 |
![]() |
产品名称: | 气动带手动Y型三通球阀 | |||||
| 型号: | QS642F/H/Y | ||||||
| 口径: | DN50-400 | ||||||
| 压力: | 1.0-6.4MPa | ||||||
| 材质: | 铸钢、不锈钢等 | ||||||
|
|||||||
| 您正在浏览:【气动带手动Y型三通球阀】 | |||||||
气动带手动Y型三通球阀详细介绍
气动带手动Y型三通球阀产品概述:
气动带手动Y型三通球阀是一种在正常情况下,采用气动执行器远程控制阀门,当出现气源故障或气缸不能工作时,仍可就地通过手动离合器进行介质流向切向的Y型三通球阀。该阀启用手动机构时,先拔出限位销,逆时针将手柄旋转180°到上部,限位销自动限位,转动手轮,进行介质流向的切换,反之则为调成气动控制,其手动驱动时,须关闭气源,手动和气动不可同时使用,否则会使驱动装置损坏。
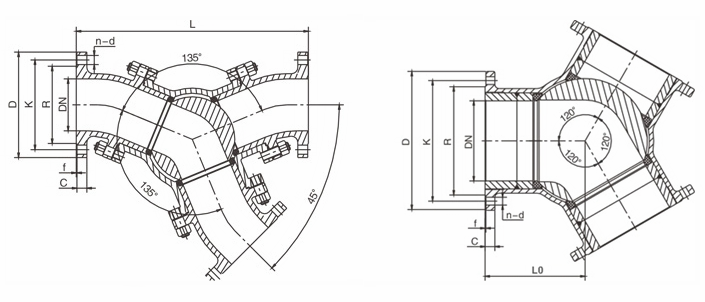
气动带手动Y型三通球阀流道采用120°或135°角设计,流体通道和管道的孔径一致,且它任意径向截面都为与管口内径一致的圆,因此其轴向为圆滑设计,减少了流体阻力,避免紊流、气蚀现象的产生,被输送的介质不会在流道中被破坏,防止堵塞。该阀克服了T型和L型三通球阀连接通道的转角都为90°直角,被输送的介质容易在直角转角处被碰碎,损坏产品品质并且易在转角处堆积形成堵塞的问题。

气动带手动Y型三通球阀零件材料:

气动带手动Y型三通球阀外形结构图:

气动带手动Y型三通球阀外形尺寸表:

气动带手动Y型三通球阀订货参数:
尊敬的客户!如果您需要订购我公司气动带手动Y型三通球阀产品,咨询时请说明结构形式(L型、T型、Y型120°、Y型135°等)、公称通径、公称压力、阀体和内件材质、使用介质、工作温度、执行器机构类型、法兰标准及密封面形式等。
提示:本文中所有文字、数据、图片均只适用于参考,需要了解更详细的【气动带手动Y型三通球阀】参数、选型、价格等请联系我们,我们将竭诚为您服务!



















