当前位置:首页 >> 真空阀门
>> 真空蝶阀 >> GI-C型高真空蝶阀 更新时间 2026-3-19 23:00:27
真空蝶阀
| GI-C型高真空蝶阀 |
![]() |
产品名称: | GI-C型高真空蝶阀 | |||||
| 型号: | GI-C | ||||||
| 口径: | DN32-300 | ||||||
| 压力: | 0.6×106 ~1.3×10-4 | ||||||
| 材质: | 304、316、316L不锈钢 | ||||||
|
|||||||
| 您正在浏览:【GI-C型高真空蝶阀】 | |||||||
GI-C型高真空蝶阀详细介绍
GI-C型高真空蝶阀产品概述:
GI-C型高真空蝶阀是用来接通或切断真空管路中的气流,阀门的阀板采用夹紧结构,把阀板的密封圈夹紧,起到更好的密封作用。阀门开闭有锁定功能、旋转平稳、密封可靠。高真空蝶阀是使用阀杆插入体内,阀板固定在阀杆上的原理,转动90度达到开关目的。适用的工作介质为空气和非腐蚀性气体。
GI-C型高真空蝶阀技术性能:
-25~+80(密封材料为丁腈橡胶) |
|
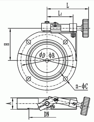
GI-C型高真空蝶阀外形结构图:

GI-C型高真空蝶阀连接尺寸:
提示:本文中所有文字、数据、图片均只适用于参考,需要了解更详细的【GI-C型高真空蝶阀】参数、选型、价格等请联系我们,我们将竭诚为您服务!



















