当前位置:首页 >> 陶瓷阀门
>> 陶瓷圆盘阀 >> 耐磨陶瓷圆盘阀 | 耐磨陶瓷圆盘阀 |
![]() |
产品名称: | 耐磨陶瓷圆盘阀 | |||||
| 型号: | YP643TC | ||||||
| 口径: | DN50-300 | ||||||
| 压力: | 1.0-6.4MPa | ||||||
| 材质: | 铸钢、不锈钢 | ||||||
|
|||||||
| 您正在浏览:【耐磨陶瓷圆盘阀】 | |||||||
耐磨陶瓷圆盘阀详细介绍
气动耐磨陶瓷圆盘阀产品概述:
气动耐磨陶瓷圆盘阀应用规范:
设计与制造 |
GB/T 12224 |
|
连接端尺寸 |
结构长度 |
厂商标准 |
法兰尺寸 |
JB/T79.1 |
|
检验与试验 Inspection and test |
GB/T 9092 |
|
材料 |
碳钢 |
GB/T 12229 |
不锈钢 |
GB/T 12230 |
|
标志 Mark |
GB/T 12220 |
|
供货 Supply |
GB/T 12252 |
|
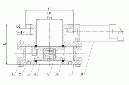
气动耐磨陶瓷圆盘阀零件材料:
序号 |
名称 |
材料 |
序号 |
名称 |
材料 |
1 |
中体 |
WCB |
5 |
托架 |
WCB |
2 |
法体 |
WCB |
6 |
阀体 |
WCB |
3 |
阀座 |
结构陶瓷 |
7 |
气动装置 |
成品件 |
4 |
阀板 |
WCB+结构陶瓷 |
8 |
支架 |
Q235 |
气动耐磨陶瓷圆盘阀外形结构图:

气动耐磨陶瓷圆盘阀连接尺寸:
DN |
PN(Mpa) |
L |
D |
D1 |
C |
n-d |
50 |
|
210 |
160 |
125 |
16 |
4-Φ18 |
65 |
210 |
180 |
145 |
18 |
4-Φ18 |
|
80 |
250 |
195 |
160 |
20 |
8-Φ18 |
|
100 |
250 |
215 |
180 |
20 |
8-Φ18 |
|
125 |
265 |
245 |
210 |
22 |
8-Φ18 |
|
150 |
285 |
280 |
240 |
24 |
8-Φ23 |
|
200 |
310 |
340 |
295 |
26 |
8-Φ23 |
|
250 |
350 |
405 |
350 |
30 |
12-Φ23 |
|
300 |
350 |
460 |
400 |
30 |
12-Φ23 |



















