当前位置:首页 >> 陶瓷阀门
>> 陶瓷进料阀 >> 钟罩式翻板进料阀 更新时间 2026-3-19 23:01:39
陶瓷进料阀
| 钟罩式翻板进料阀 |
![]() |
产品名称: | 钟罩式翻板进料阀 | |||||
| 型号: | JQ641FM | ||||||
| 口径: | DN100-250 | ||||||
| 压力: | 1.0-6.4MPa | ||||||
| 材质: | 铸钢、不锈钢 | ||||||
|
|||||||
| 您正在浏览:【钟罩式翻板进料阀】 | |||||||
钟罩式翻板进料阀详细介绍
钟罩式翻板进料阀产品简介:
钟罩式翻板进料阀主要用于电力干除灰系统仓泵进料阀,也可用于矿山、冶金、造纸和化工行业的气力输灰系统。进料阀直接与仓泵连接并融为一体,由气缸驱动摇臂做90°旋转实现阀门启闭功能。这种结构的进料阀可以满足仓泵中气输干灰的恶劣条件,其氟橡胶的密封面对干灰微粒有较大的包容性,不易磨损,并可耐250℃以下的高温,密封件可直接更换。本阀门钟罩形的阀腔不易结灰,阀体上开出的手孔可以在线更换内部的密封零件,维修方便。
钟罩式翻板进料阀特点与用途:
1、本进料阀专用于发电厂干灰系统,浓向输送仓泵进料用阀门。工作由直行程气缸带动,可频繁工作,每小时可达6-10次,气源压力为0.4-0.6MPa。
2、本阀阀体材质为铸钢和焊接件两种。阀板与阀座和所有密封件均采用氟橡胶,耐温可达250º左右,本阀的所有密封件可定期更换。
3、本阀密封性能好,耐磨性强,启动负荷小,卡灰及积灰现象少,使用寿命长。本阀门有流体阻力小,启闭省力,全开时受介质冲蚀小,安装方便等特点,主要用于介质的切断。
3、本阀密封性能好,耐磨性强,启动负荷小,卡灰及积灰现象少,使用寿命长。本阀门有流体阻力小,启闭省力,全开时受介质冲蚀小,安装方便等特点,主要用于介质的切断。
钟罩式翻板进料阀应用规范:
钟罩式翻板进料阀零件材料:
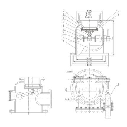
钟罩式翻板进料阀外形结构图:

钟罩式翻板进料阀连接尺寸:
| 设计与制造 | GB/T 12224 | |
| 连接端尺寸 | 结构长度 | 厂商标准 |
| 法兰尺寸 | JB/T 79.1 | |
| 检验与试验 | GB/T 9092 | |
| 材料 | 碳钢 | GB/T 12229 |
| 不锈钢 | GB/T 12230 | |
| 标志 | GB/T 12220 | |
| 供货 | GB/T 12252 | |
钟罩式翻板进料阀零件材料:
| 序号 | 名称 | 材料 | 序号 | 名称 | 材料 |
| 1 | 阀体 | 20# | 7 | 阀瓣支座 | 20# |
| 2 | 封盖 | 20# | 8 | 阀瓣 | 20# |
| 3 | 阀杆压盖 | Q235 | 9 | 阀瓣衬 | NBR |
| 4 | 阀杆 | 2Cr13 | 10 | 阀座 | NBR |
| 5 | 阀瓣连杆 | 25# | 11 | 螺钉 | B7 |
| 6 | 销轴 | 35# | 12 | 气动装置 |
钟罩式翻板进料阀外形结构图:

钟罩式翻板进料阀连接尺寸:
| DN | D | D1 | D2 | C | H | Z-d | L | G |
| 100 | 215 | 180 | 155 | 20 | 737 | 8-Φ18 | 360 | 248 |
| 125 | 245 | 210 | 185 | 24 | 775 | 8-Φ18 | 600 | 300 |
| 150 | 280 | 240 | 210 | 24 | 837 | 8-Φ23 | 650 | 320 |
| 175 | 310 | 270 | 240 | 26 | 915 | 8-Φ23 | 650 | 340 |
| 200 | 335 | 295 | 265 | 26 | 1007 | 8-Φ23 | 640 | 360 |
| 225 | 365 | 325 | 295 | 28 | 1110 | 8-Φ23 | 640 | 370 |
| 250 | 390 | 350 | 320 | 28 | 1245 | 8-Φ23 | 640 | 385 |
提示:本文中所有文字、数据、图片均只适用于参考,需要了解更详细的【钟罩式翻板进料阀】参数、选型、价格等请联系我们,我们将竭诚为您服务!



















