当前位置:首页 >> 球阀
>> Y型球阀 >> 硬密封Y型三通球阀 更新时间 2026-1-14 16:07:48
Y型球阀
| 硬密封Y型三通球阀 |
![]() |
产品名称: | 硬密封Y型三通球阀 | |||||
| 型号: | Q42H/Y | ||||||
| 口径: | DN50-400 | ||||||
| 压力: | 1.0-6.4MPa | ||||||
| 材质: | 碳钢、不锈钢等 | ||||||
|
|||||||
| 您正在浏览:【硬密封Y型三通球阀】 | |||||||
硬密封Y型三通球阀详细介绍
硬密封Y型三通球阀产品概述:
硬密封Y型三通球阀是一种密封副材料配对为金属对金属,适合安装在Y形管路气力输送系统中,用于温度较高且含有硬质固体颗粒的介质流向切换的阀门,其通过执行机构驱动带柄球体在阀腔内正反向回转120°或135°来控制物料的流动方向。该阀球体与阀座密封表面的硬化处理,可根据不同的使用温度和介质硬度,采用超音速火焰喷涂、镍基合金热喷涂及激光熔覆合金喷焊等技术,以适应各种苛刻工况。本产品具有耐高温、耐冲刷、耐磨损、流阻小以及密封性能好等特点。
硬密封Y型三通球阀产品优点:
硬密封Y型三通球阀在靠近介质通道进出口侧的阀座和阀体之间设有圆柱螺旋弹簧,这样既能满足阀在低压或无压情况下的密封性能,又能提供一个较高的密封剪切力,使阀座与球体始终紧贴在一起,并在三通球阀切换的过程中阀座对球体表面吸附物起到刮削的清洁作用,从而不会把介质带入密封副之间破坏密封面而导致阀门泄漏,同时它还可以形成热膨胀活动补偿结构,在热膨胀的情况下,阀座位移可以被圆柱弹簧弹性活动补偿,避免出现高温球体卡死不能动作的情形。

硬密封Y型三通球阀零件材料:

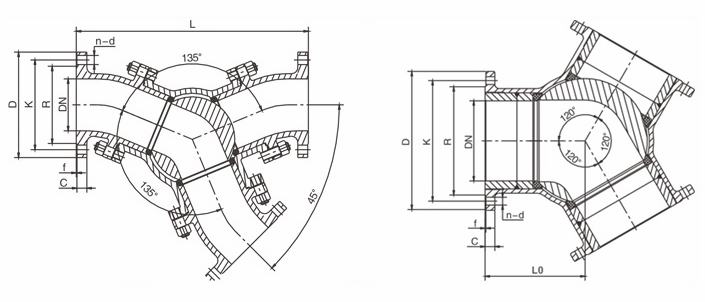
硬密封Y型三通球阀外形结构图:

硬密封Y型三通球阀外形尺寸表:

硬密封Y型三通球阀产品订货参数:
尊敬的客户!如果您需要订购我公司硬密封Y型三通球阀产品,咨询时请提供结构形式、公称通径、公称压力、阀体和内件材料、工作温度、法兰标准和法兰密封面形式等。本产品可采用国标、美标、德标、日标等设计标准制造。
提示:本文中所有文字、数据、图片均只适用于参考,需要了解更详细的【硬密封Y型三通球阀】参数、选型、价格等请联系我们,我们将竭诚为您服务!



















